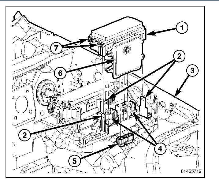
Wednesday, May 22nd, 2019 AT 1:51 AM
Yes I bought this vehicle a little while ago and it had a short in the wiring harness and I replaced the whole thing finally got it out of theft mode and I still have nothing at all not even relay clicks or an attempt to turn over.

















