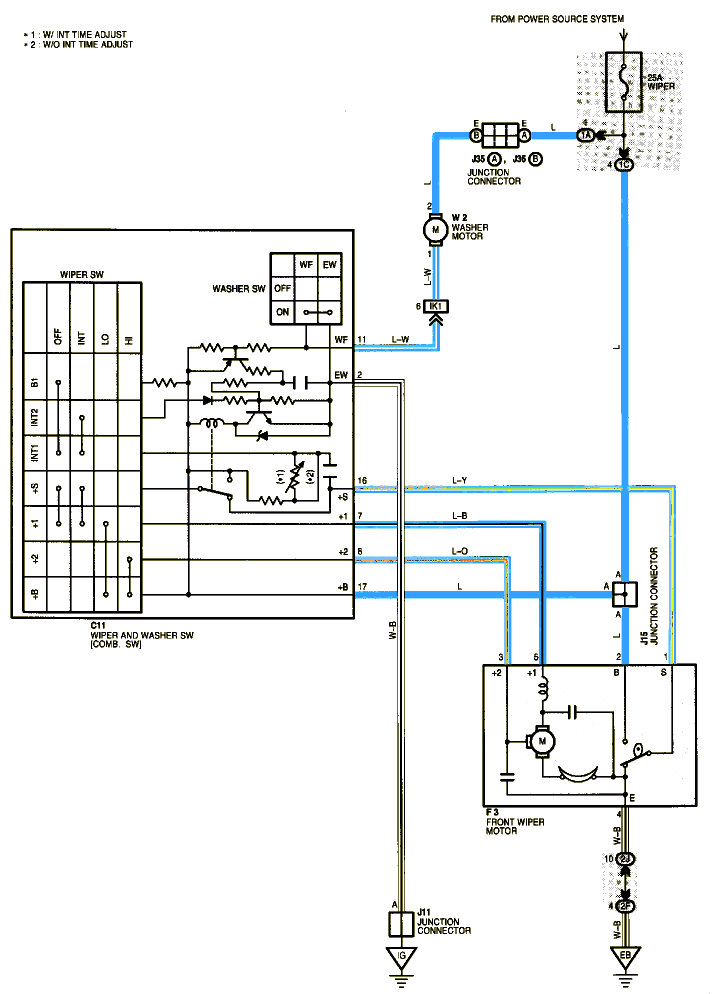
I first went ahead and bought a multi-function switch on eBay, used, and swapped it out. The problem persisted, so I thought either the switch was bad, or it was something else.
So I went and bought a new switch, just because I needed to be sure, and the problem still exists. So I know it is not the switch, any ideas as to what could be causing this? It seems that almost every time I start my car, one of the three issues may occur.
My switch allows three settings, the adjustable intermittent, the slow and the fast. The only setting that I have seen is either all three, none, or the third. I have not seen it where only the intermittent or the slow setting will work, or any other combination. Before I take it in to pay someone who knows how much to find out what it wrong. I am hoping you might let me know if there is a reason this is happening that I might be able to fix.
Thank you for your help!
Wednesday, September 20th, 2017 AT 10:07 AM

