Monday, November 18th, 2019 AT 2:39 PM
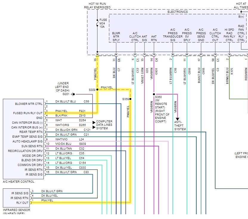
My daughter has the vehicle listed above that has given us some problems in regards to the heat/air controls (this has auto controls). The knob that controls the speed doesn't work, the speed is basically nothing at all. It used to just work on high, now nothing. I just replaced the Blower Motor Resistor and now it only blows on high constantly and does not even turn down or off and the knob for changing positions does not seem to work either (it did work before-hand), but the blower itself does work. Not to mention when I took out the old resistor it was for a 2010 Jeep Liberty. Very Strange. I thought about looking into the Blower Motor Relay or Fuse but can't seem to locate it? Maybe not. I wish there was an YouTube video out there for this year on this topic.




