Monday, June 26th, 2023 AT 7:34 AM
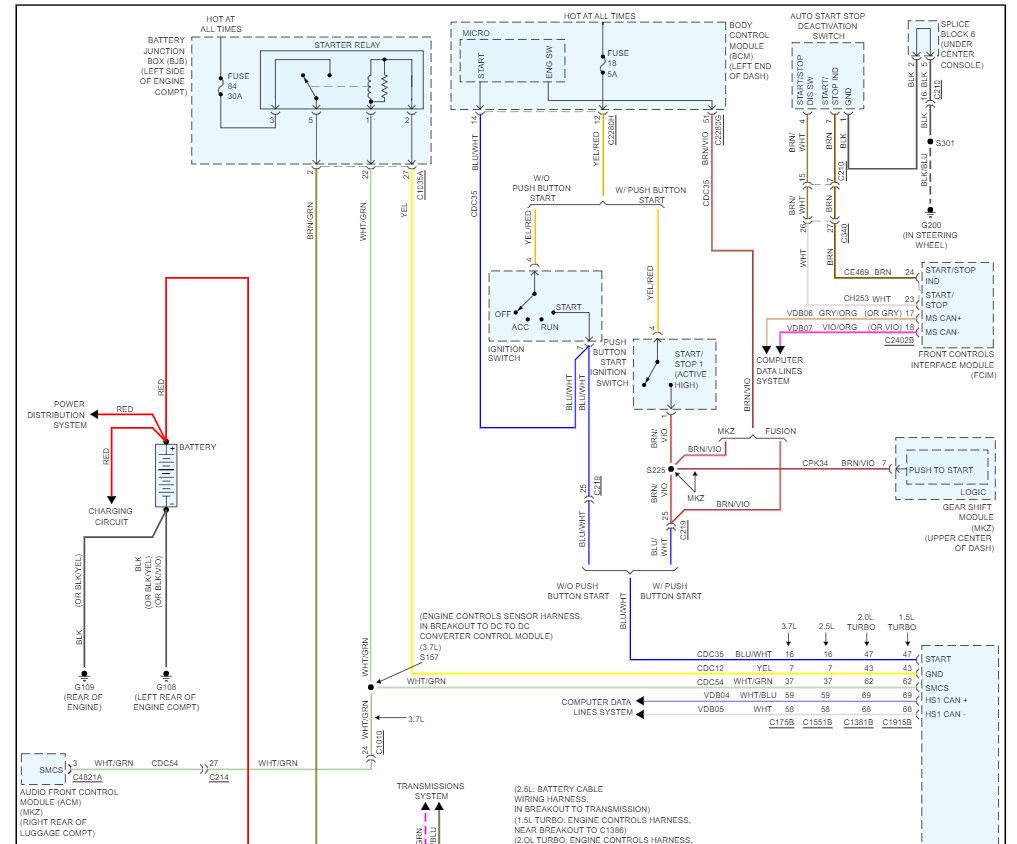
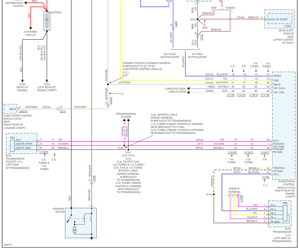
I am having an intermittent issue where the "push start" is failing and will run through a series of errors on the dash. Sometimes if I let it sit and try to start it will start again and dive fine for two months and then it will have the issue again. It has been to mechanic twice once starter was replaced and throttle body supposedly but it has happened twice since it is now at a Ford dealer as previously I took it to Chevrolet dealer where I purchased but they stated that they could reproduce it the second time it happened and it needed to go to Ford dealer for specialized machine? So last night it happened again wouldn't start let it sit started turned it off hour later when to get in and nothing so had it towed again. Now when this happens also the brake pedal becomes very stiff where you cannot push it down as normal and also this time it said check with dealer as the backup camera could not be accessed but all the power for everything seems to be fine doesn't seem to be battery as Chevrolet dealer that battery and alternator was good. So, I am now wondering if it some anti-theft module or reset since it got towed last night but cranked fine this morning per the Ford dealer. They won't be able to get to look at it until tomorrow.




