Tuesday, November 5th, 2024 AT 10:58 AM
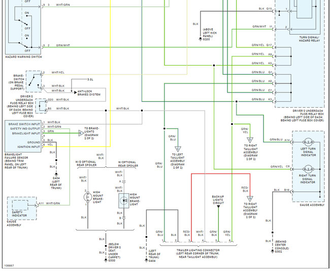
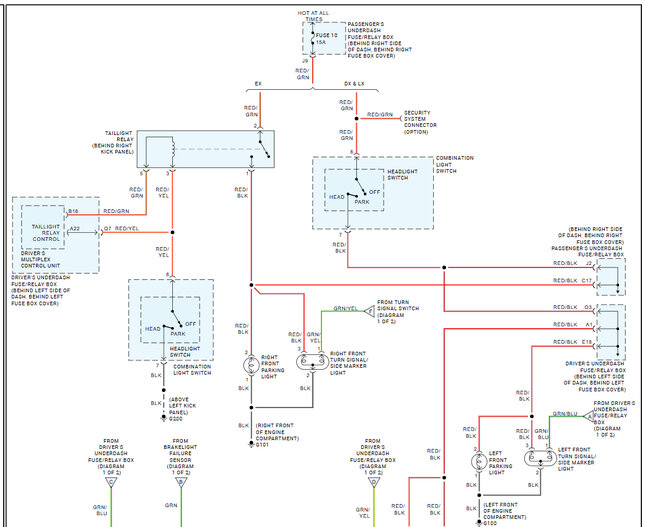
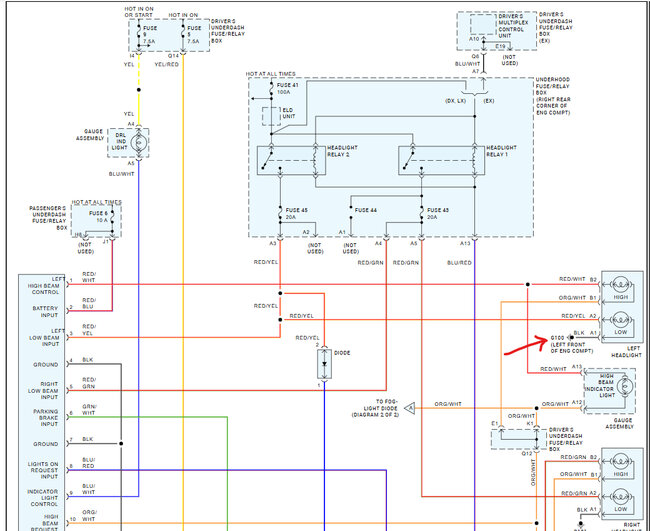
It doesn’t always work, let it sit for a little bit, and it will work with the headlights on, turn the headlights and parking lights off. It works perfectly normal. The first thing I have done was I replaced the combination switch thinking that was the issue it worked fine up until today. Now it is back to doing it again. I am starting to think of condemning the turn signal flasher relay, but I am not sure cause it doesn’t intermittently and it’s hard to pinpoint when it does it what I need to test.








