Sunday, July 31st, 2022 AT 1:32 PM
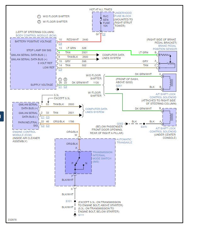
My transmission will not shift out of park, I use the override to use my car and at first, I thought the solenoid was bad but when I got a closer look there were two wires that had come loose, and they looked like they should be plugged in. I'm trying to get the clip out but it’s not budging. I also have no idea where the wires are supposed to go, does anyone know how this connector comes out?


