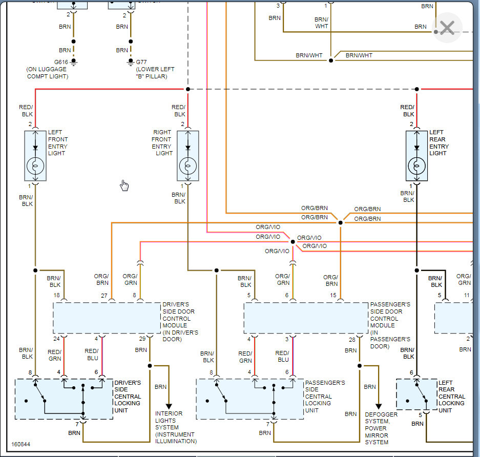
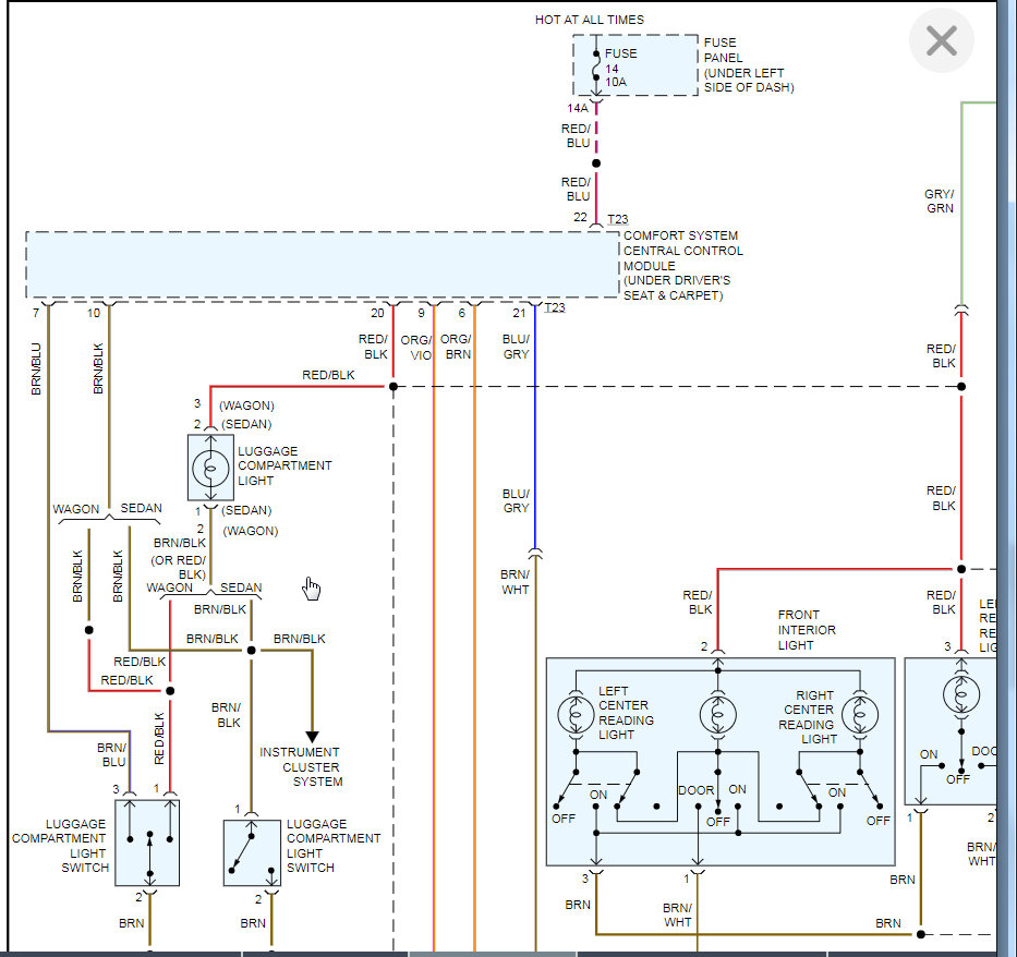
Interior lights wiring diagram needed

2003 VOLKSWAGEN PASSAT
189,000 MILES • 1.8L • 4 CYL • TURBO • 2WD • MANUAL
Avatar
ZTRETTER
  • MEMBER
  • 5 POSTS
I would like to get a diagram of the interior lights.
Jan 6, 2020 at 3:28 PM
Repair Safety Notice: This information is for general instructional purposes only. Vehicle repair can be dangerous. Verify all information, follow manufacturer service procedures, use proper tools and safety equipment, and consult a qualified repair shop when needed.
Advertisement
Avatar
KASEKENNY
  • AUTOMOTIVE REPAIR CONTRIBUTOR
  • 18,907 POSTS
I attached the interior lights diagram. I cut it into 4 sections. 1-4 is top left, top right, bottom left, bottom right of the diagram. Check out the diagrams (Below). Please let us know what happens.
Jan 7, 2020 at 4:38 PM
Advertisement