Monday, October 26th, 2020 AT 1:42 PM
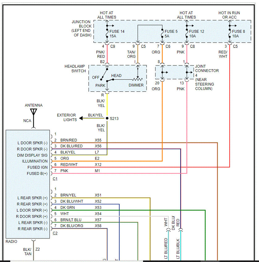
I had added a small amount of oil to the truck as a just in case before I to change the oil completely, new filter everything that night, and when I shut the hood got back into the cab I noticed that the interior light went out and the radio as well. Meaning that the light does not turn on when the door is open and the radio has no display of the time and not work I guess. When I turn the volume knob all the way down and turn it up to turn the radio on oh, you could hear the pop like in the speakers as if it was turning on but doesn't admit sound or display.





