Saturday, August 13th, 2022 AT 8:01 PM
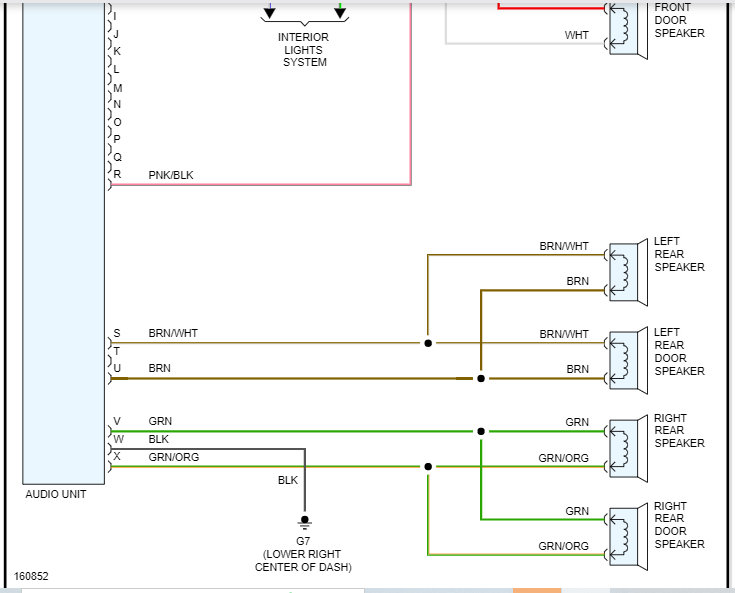
Hey guys, firstly before I installed the radio, I wired the harness to see if power was running through the wires and the aftermarket radio turned on and everything was running. I decided everything was good and started connecting the speakers. I ran fresh speaker cables through the car and connected everything to the harness. I connected the power, acc and grounded the connection and nothing is working. I disconnected the speakers and just kept the power and acc connected and I'm no longer getting power as well as interior lights don't turn on or my remote locking doesn't work. I'm not sure if these two problems are connected but I'm having trouble finding a solution. Thanks





