Monday, October 2nd, 2023 AT 1:33 AM
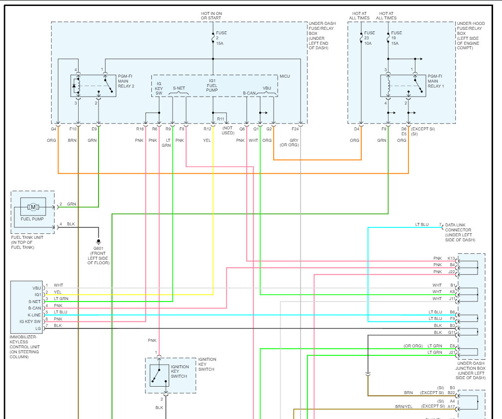
First, I got off work and went to my friend's house. Before I left, I popped the hood to check my coolant level. After leaving there my car wouldn’t start and the immobilizer light was on (green key flashing) but after I tried a few more times and locked the doors from the button on the inside it started, and I drove home. I made it home fine but now it’s doing the same thing again where the green key is flashing, and it won’t start. I don’t know if I knocked something loose when checking coolant or what. Also, my key fob lights up but doesn’t do anything when I press any of the buttons.





