Wednesday, February 16th, 2022 AT 2:29 PM
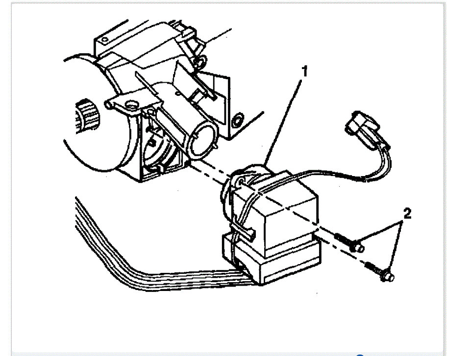
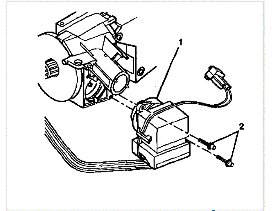
Every time I go to put the ignition fuse in it blows it. I also have a few fuses under the hood and next to the glove box that are showing they have negative current with the tester.









