Tuesday, May 24th, 2022 AT 7:16 PM
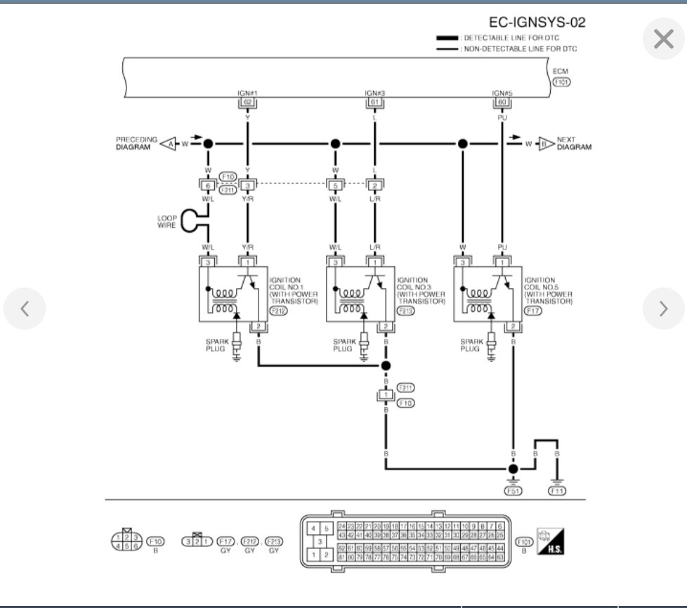
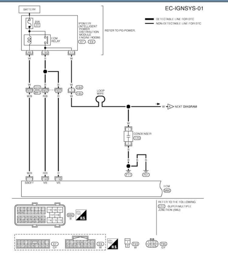
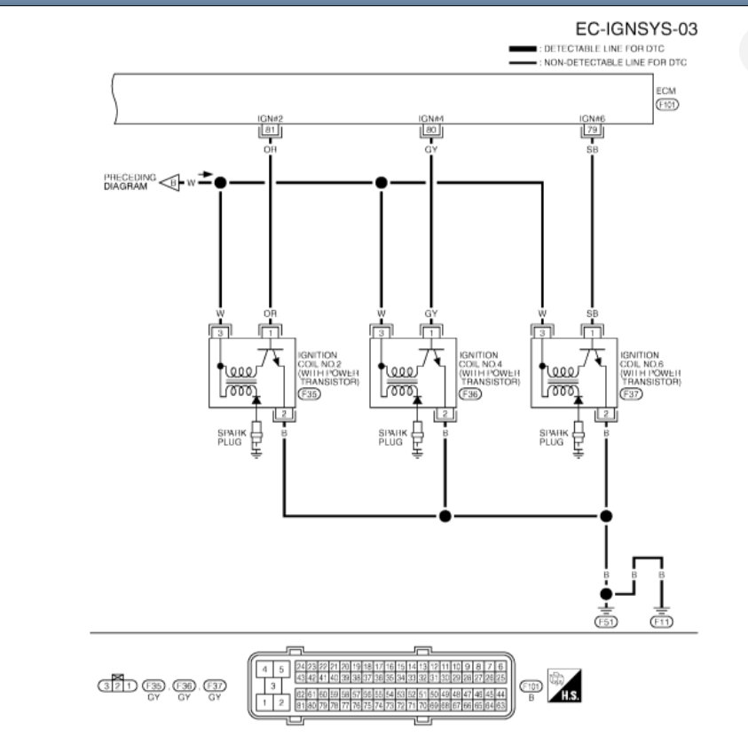
This vehicle burns all the cylinder ignition coils when you crank it, I first diagnosed it and there was no fault code stored. Then I unplug the ignition coil connector to check resistance on terminal 3 and 2 (power and ground) with ignition switch on, there was no resistance. Then I checked terminal 1 and 2 (igniter from ECM and ground) there was resistance or short to voltage. Could this be an ECM issue or wire problem? Though I suspect wire problem.














