Monday, May 17th, 2021 AT 1:15 PM
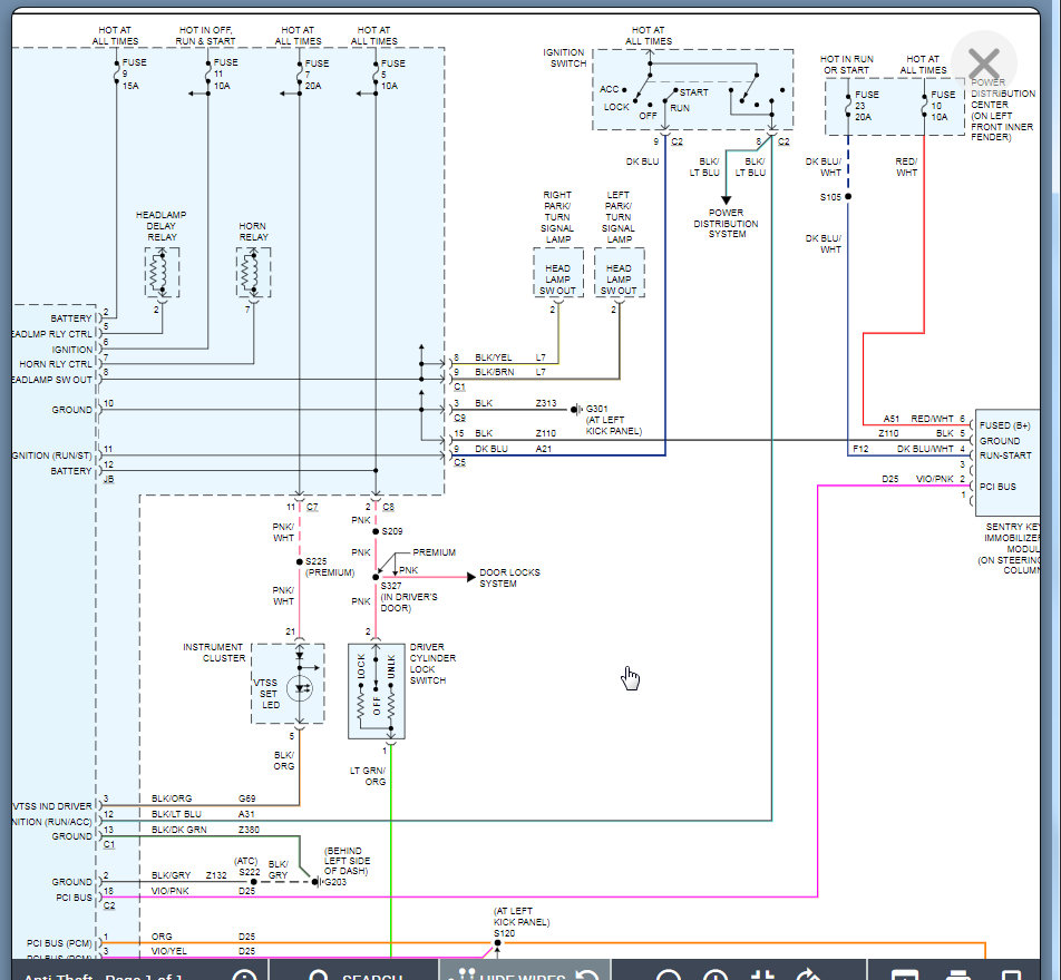
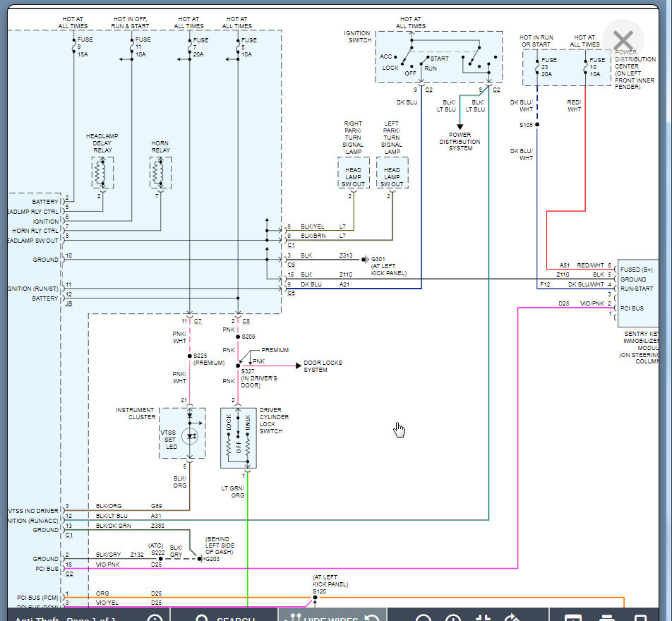
Car was broke into and they busted out ignition but left the ignition cylinder on the floor. Replaced the whole steering column but the antitheft wire needs to be connected somewhere. I cannot find out where it goes. Without it connected the car will start but only momentarily then shuts off. I can use the remote start to get the car started then deactivate it by pressing the brake, then I can start the car with the key and it will drive. I need a diagram of where the wire goes to the antitheft device that is wrapped around the ignition cylinder.


