Friday, June 21st, 2024 AT 8:54 PM
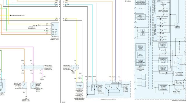
Hello, could someone give me the pinout of cluster odometer for the vehicle listed above. I want to turn it on with the godiag. Thank you





