Friday, November 1st, 2024 AT 9:29 PM
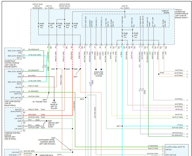
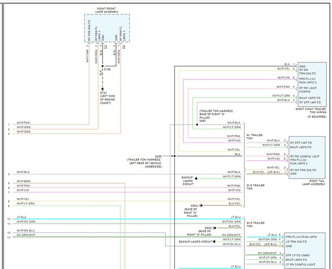
I just had my TIPM replaced. Now my turn signals are not working. I need a diagram on how to rewire it. I need 599-982 that part number wiring diagram.





