Sunday, August 24th, 2014 AT 5:06 PM
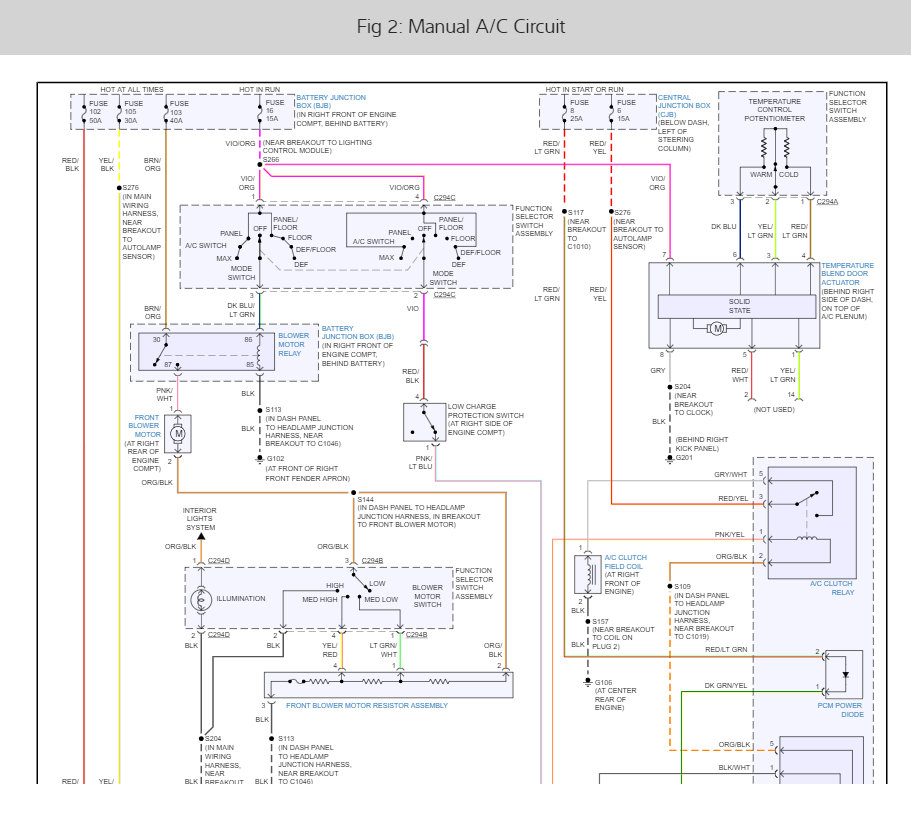
My blower motor won't come on at all. I checked all the fuses and they are all good. I pulled the blower motor resistor and have no power to that any suggestions?







