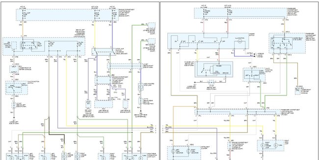
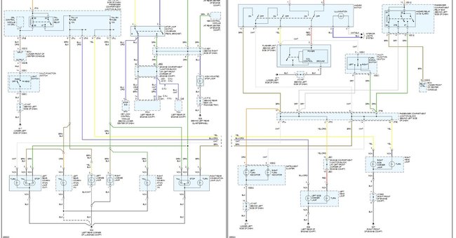
Tuesday, March 18th, 2008 AT 3:55 PM
The third brake light works but the other two do not. Fuses look ok. I'm looking for a wiring schematic so that I may pinpoint some common areas. Any help on where to find the info? Or where to start looking?



