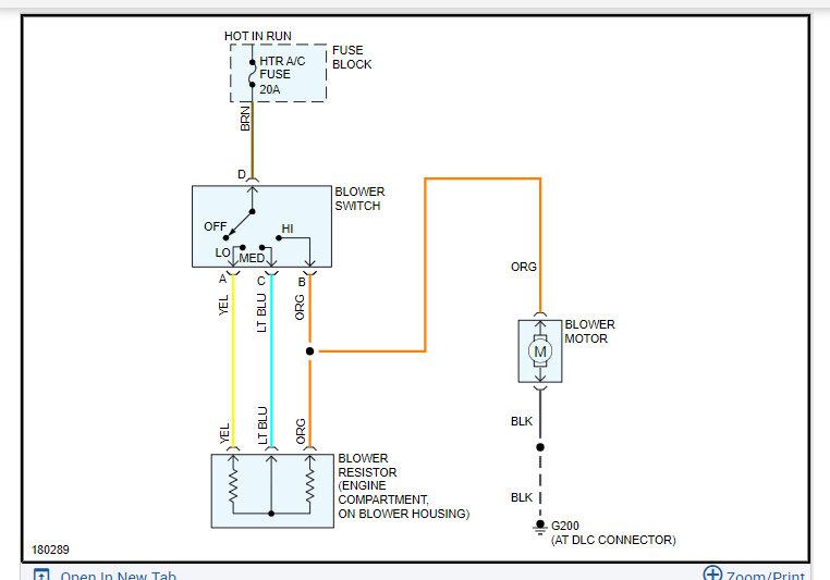
1. HVAC inlet door actuator motor burned out. It has two screws holding it in and I need to know how I can better get to and remove the blind screw? Or is there a special tool I can purchase to remove the screw?
2. When the actuator motor burned out the AC instrumentation panel went out, which is under the radio controls. The AC fuse under the driver's side dash is good. Where are the other modules/fuses I need to check and possibly replace?
Saturday, August 17th, 2024 AT 7:52 AM





