Friday, February 15th, 2019 AT 2:46 AM
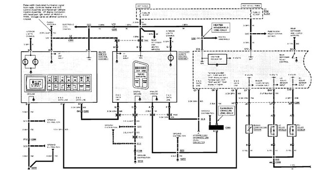
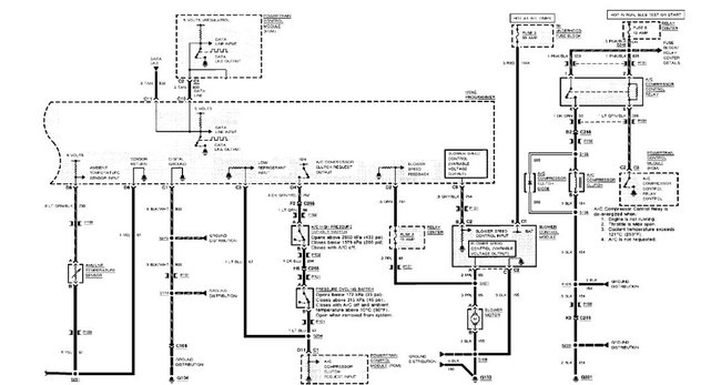
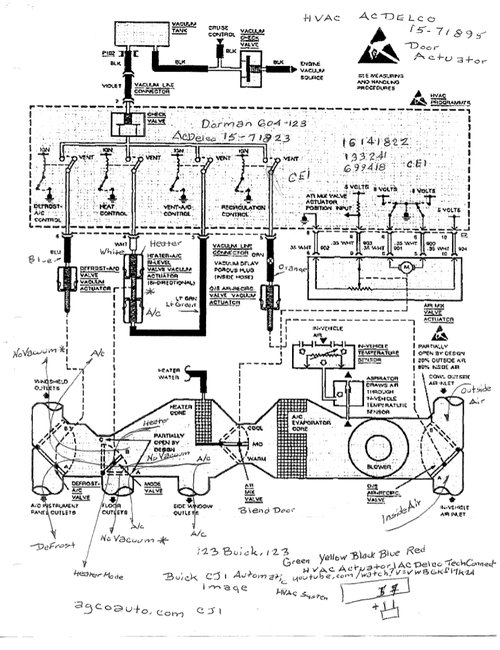
HVAC climate control. Where may a cross section/schematic diagram be found, showing dual zone air doors and all other air doors, together with actuators for same?






