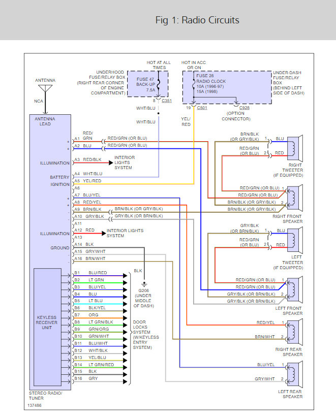
Today I was connecting my aftermarket radio everything was working. I disconnected the radio to put my dash back in I tryed to connect it again and it didnt turn on. I think I might of let wires touch but now my red wire does not have any power but my yellow wire does. I went ahead and took a wire and went to the fuse box located under my hood and saw the radio back up fuse was blown. I replaced it and still nothing soo I took the wire and connected it to my back up radio fuse and the radio did turn on soo I am guessing its something between the fuse box and the red wire in my dash. The fuses under my steering wheel are fine also i'm baffled?
Sunday, October 11th, 2009 AT 6:17 PM




