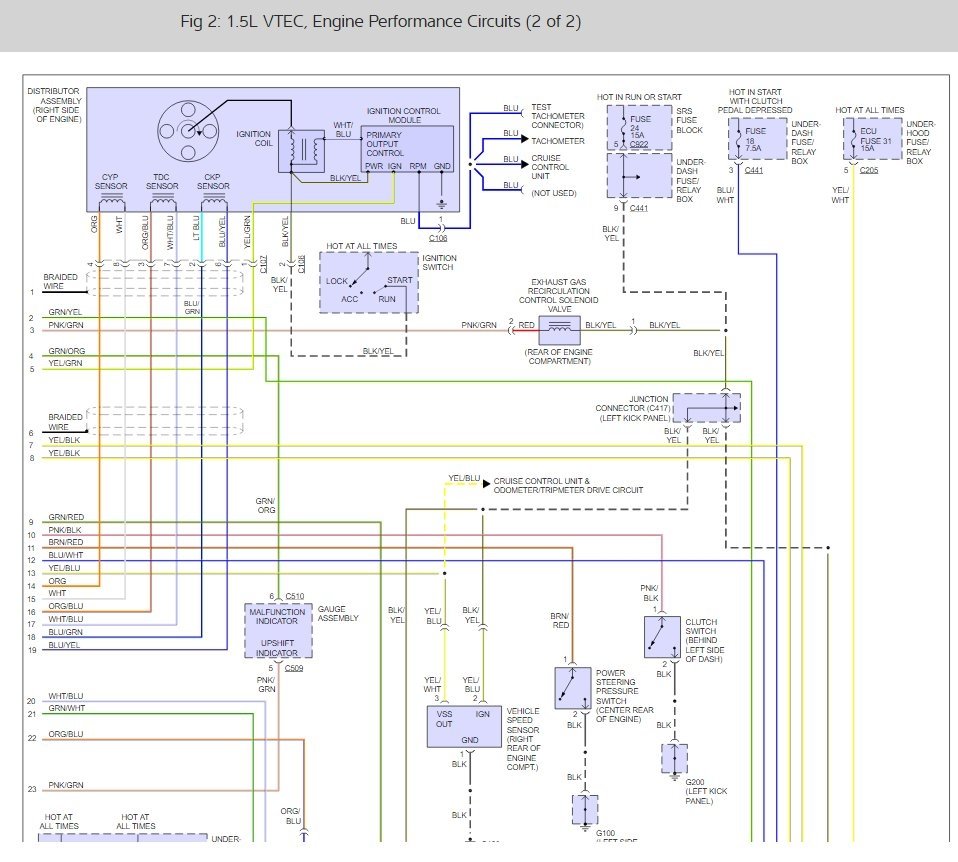
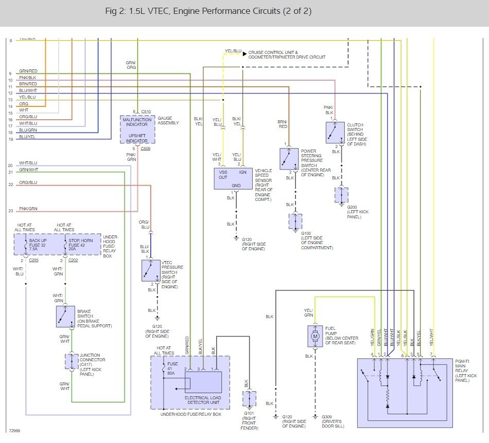
After a rain, the car will not initially start. You turn the key on and the engine check light is on and the car will not start. All electric circuits are fine, everything turns on, the engine will crank, just won't start. After a five to fifteen minutes leaving the key on, the engine light will go off and then you hear the fuel pump turn on. It will then start fine.
If you turn off the car, but leave the key on, then the wait period for the fuel pump goes down. If you continue this key on/off process (without ever starting the car), the wait period continues to go down. If you leave the key off for awhile, then try again, then you start waiting more for it to turn on.
Seems like there is something warming up with the key on. This problem will occur for days after it is has rained.
I had a auto repair place look at it and they ruled out any problem with the fuel pump, it does not get any power until after the wait period. Also ruled out the ignition system and master relay, and most of the electrical system.
Monday, February 8th, 2010 AT 7:57 AM






