Hi, I have a Honda Accord 2003 v6 and have no heat coming from the vents. The passenger side gets warm and the drivers side blow cold.
Things I have already replaced
1. Thermostat
2. Water Pump, timing belt, oil seals since I was in there
3. New Heater Core. What a job this was.
4. Upper and lower hoses
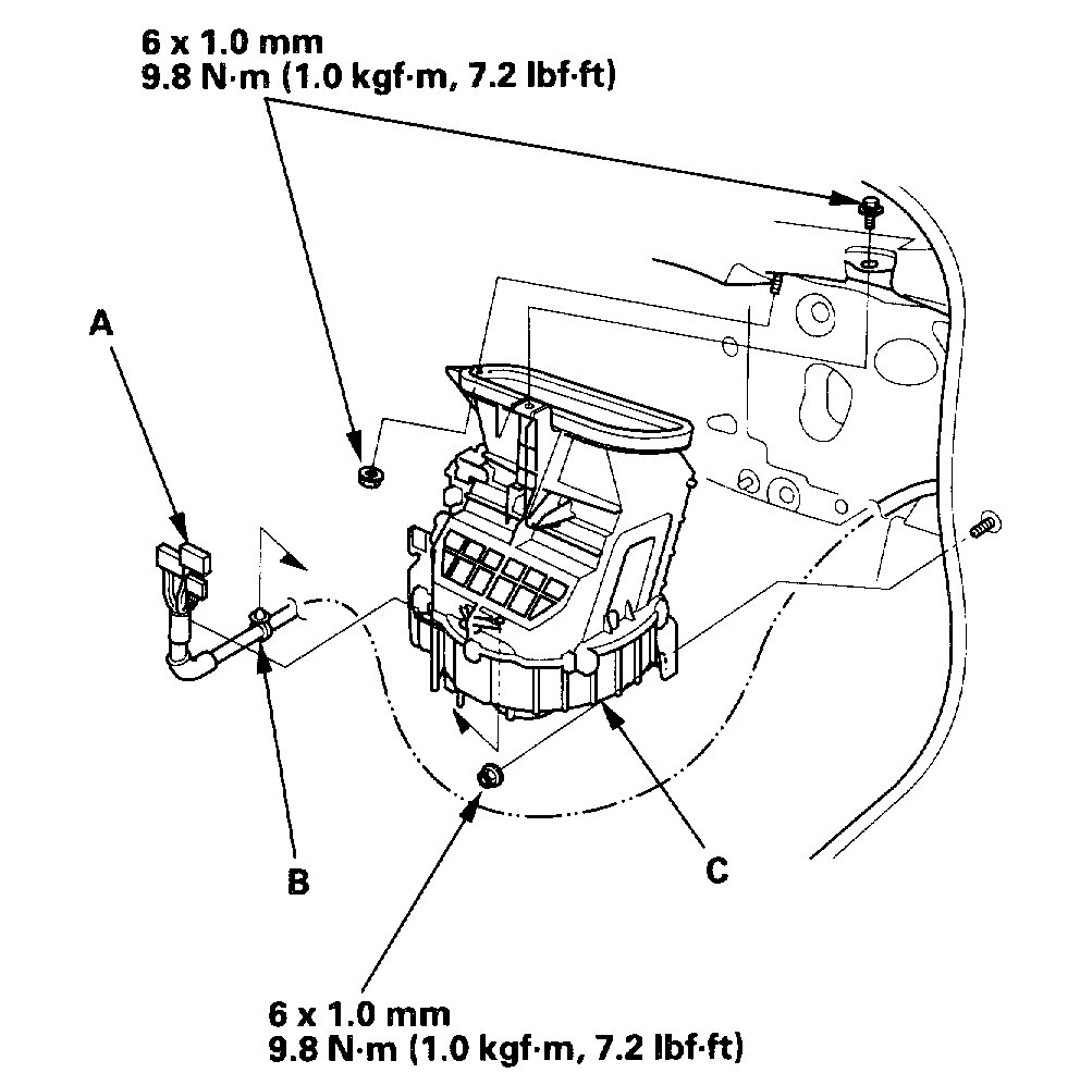
5. Heat control Valve
6. Radiator cap, and other smaller hoses that circulate antifreeze
7. Reservoir hoses
I have also flushed the system 3 times. Checked all the vent doors are opening and closing correctly. Also ordered the ATF Warmer that circulates antifreeze and warms the ATF fulid. This is on the top of transmission.
When the RPM's are rev'ed up a bit you can hear the coolant flowing in the heater core. From my research and asking questions, I was told this is AIR in the system. I was told by Honda, that when they bleed the 03 accord they lift the front of car, so the air can escape the highest point. Tried this with the car on a slope and also up on ramps, with a hose and funnel attached to the radiator ensuring the coolant is higher than the heater core. Let it run til the thermostat open about 5 times and still no heat. I feel like I tried everything on this car and have pretty much given up hope of getting heat out of the car.
I need help in getting the air out the system. There is no bleed screw on this car.
The heater hoses do heat up, but one more than the other. The hose that goes to the lower part of the heater core (the one that also has the valve) heats up more than the upper hose. The upper hose usually heats up to comparable heat when I have the engine rev'ed up to about 2500 rmp's.
Which direction would the coolant flow? Does it flow into the heater core from the bottom or the top? Bottom, being the hose with the valve on it?
One thing I forgot to mention in my initial post is that when the car is cold, like in the morning the upper and lower radiator hoses are sucked in?
Bought another radiator cap as the other one seemed like the rubber gasket was worn. I hope the new cap will resolve that, but was wondering if that would be caused by air in the system or a faulty radiator cap?
When I rev the engine I still hear the coolant flowing sound in the heater core?
After the storm in the northeast passes I will disconnect the hoses from the core and attach a garden hose to flush out both passages of the core in hopes to clear out any clogs in there.
What is the proper procedure for getting air out of the system when the car has no bleeder screw? What else can be the cause of this problem?
Service Writer, please steer me in the right direction.
Happy Holidays!
Thursday, December 17th, 2009 AT 11:08 PM







