Thursday, February 5th, 2009 AT 1:27 AM
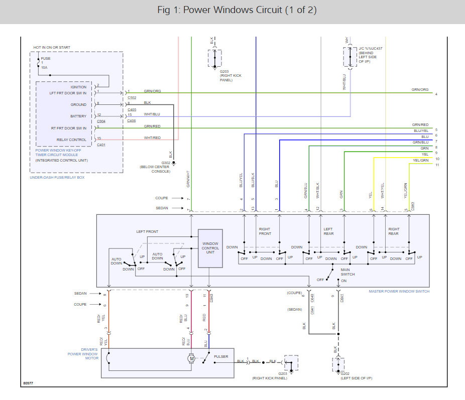
I have a 95 honda accord lx. My driver window won't go back up. I took it to a shop and they took the door panel off and then unplugged the the plug that goes directly to the window motor. They hooked it directly to a separate battery, and the window went right up. So I know the motor works. My question is, is there anyway to test whether or not its the switch, or the other black box in the door that the power runs into after the switch(I heard people calling it a module)? Any help would be cool.




