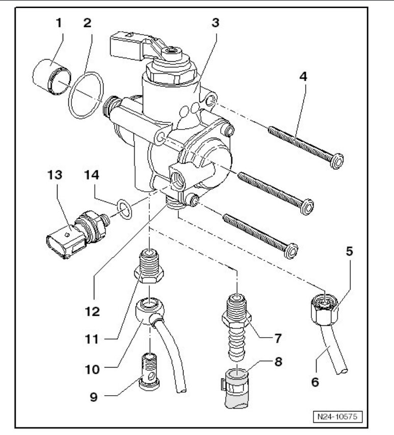
it now leaks gas. From the picture right beside the fuel regulator is another fitting, which is where the gas is leaking from. Pictures enclosed.
I tried to remove but it does not fit a 17 mm tried 18 mm which will not fit tried a 19 too large. Does the high-pressure fuel pump need to be replaced?
Friday, June 9th, 2023 AT 11:33 AM






