High beam not working?

2017 TOYOTA AURIS
70,000 MILES • 1.8L • 4 CYL • 2WD • AUTOMATIC
Avatar
MARIAN MATECIUC
  • MEMBER
  • 3 POSTS
Hi, high beam in my right headlight stopped working, is a halogen lamp used for both low and high (HIR2), checked fuses 7.5A - are good and have power, I don't know if could be a relay for each headlight, headlight itself is good- my friend borrowed me his, anyone have a wire diagram? Please help! 2017 Toyota Auris (Corolla) hybrid.
Nov 5, 2024 at 10:23 AM
Repair Safety Notice: This information is for general instructional purposes only. Vehicle repair can be dangerous. Verify all information, follow manufacturer service procedures, use proper tools and safety equipment, and consult a qualified repair shop when needed.
Advertisement
Avatar
STRAILER
  • AUTOMOTIVE REPAIR CONTRIBUTOR
  • 54,178 POSTS
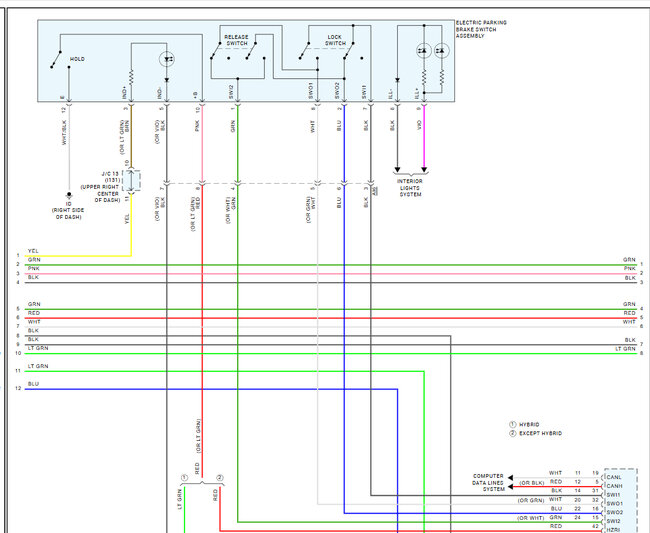
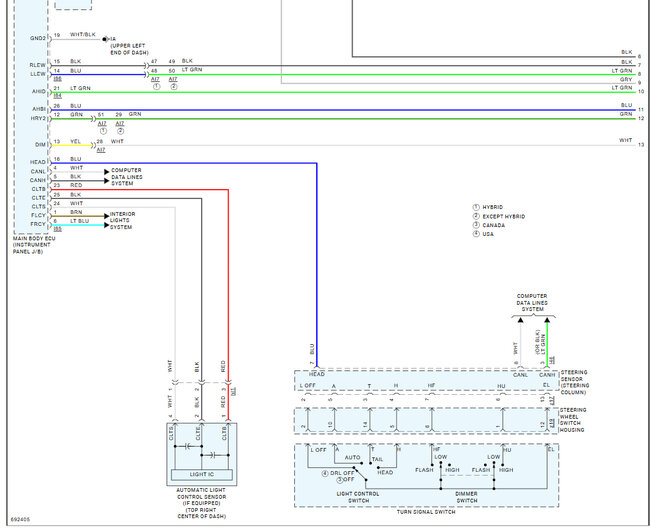
Yep, the right and left high beam uses two different relays and fuses. here are the wiring diagrams for the headlamps and high beams so you can see how the system works. I would make sure the H-LP RH fuse has power and swap the H-LP RH relay.

This guide can help:

https://www.2carpros.com/articles/how-to-check-a-car-fuse

Here is the fuse and relay location as well, I would try swapping the relays to confirm the failure. Check out the images (below). Please upload pictures or videos in your response of any problems so we can see what to help you with.
Nov 5, 2024 at 3:35 PM
Advertisement
Avatar
MARIAN MATECIUC
  • MEMBER
  • 3 POSTS
Thank you for quick answer, in my case (Toyota Auris) seems that fuse+relay box is different, I guess there is just one relay for both headlights Left and Right, and one for DRL . each headlight has its own shutter (they are good) which flips for high beam. I'll keep searching.
Nov 6, 2024 at 10:48 AM
Avatar
MARIAN MATECIUC
  • MEMBER
  • 3 POSTS
+
Nov 6, 2024 at 10:51 AM
Avatar
STRAILER
  • AUTOMOTIVE REPAIR CONTRIBUTOR
  • 54,178 POSTS
It is possible the colors are different because this is a euro car. I don't have info on this car in the states.
Nov 7, 2024 at 4:59 PM