Tuesday, August 15th, 2023 AT 8:45 AM
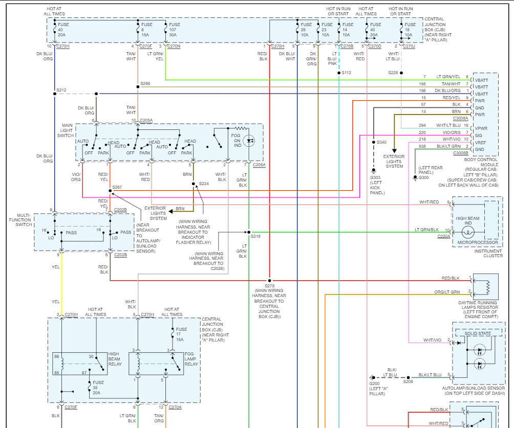
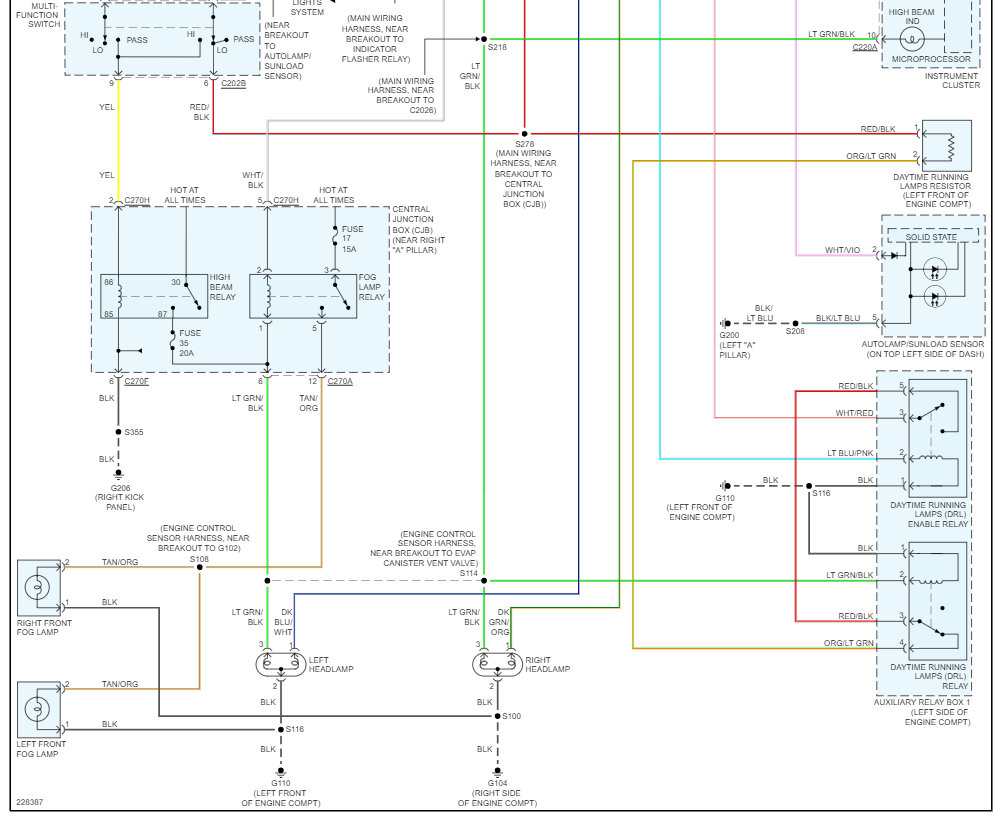
Recently, I noticed that I have some kind of problem with the lights of my car. When I turn on the headlights as follows gauges, low beams or in automatic mode, everything works normally. But from the lever that controls the wipers and high beams there is a problem with them (the wipers work in every one position). When I move the lever forward or backward the high beams do not come on. However if I push the lever in and at the same time move it forward or backward they come on and if I leave it like that the headlights only work on high beam (low beam does not work). To I turn on the low beams, analogously I do the same with the lever (but the high beams don't work). I have some doubts, but I still want an opinion. Thanks in advance.






