Blower fan not working

2012 GMC SIERRA
100,000 MILES • V6 • 4WD • AUTOMATIC
Avatar
LISROB
  • MEMBER
  • 1 POST
The fan for the heat works one day and not the next. I have replaced the resistor about a month ago.
Jan 13, 2020 at 3:47 PM
Advertisement
Avatar
ASEMASTER6371
  • CERTIFIED EXPERT
  • 52,796 POSTS
Good evening,

You will need to do some voltage tests to determine the issue.

https://www.2carpros.com/articles/how-to-check-wiring

You need to check for voltage to the resistor with the key on. It could be either the resistor or the blower motor.

Roy

Jan 13, 2020 at 4:45 PM
Avatar
JJ JOHANNSEN
  • MEMBER
  • 1 POST
My blower motor works when I first start my truck but then after it warms up it will shut off and not blow any air out. The air is hot but the blower will not work.
Dec 26, 2020 at 10:10 AM (Merged)
Advertisement
Avatar
ASEMASTER6371
  • CERTIFIED EXPERT
  • 52,796 POSTS
Good morning

I attached a wiring diagram for you to view.

https://www.2carpros.com/articles/how-to-check-wiring

When the blower stops working, you need to do some voltage testing at the motor and the resistor to see which unit is causing the failure.

https://www.2carpros.com/articles/how-to-check-an-electrical-relay-and-wiring-control-circuit

Roy
Dec 26, 2020 at 10:10 AM (Merged)
Avatar
SONYA BROOKS HOUCK
  • MEMBER
  • 1 POST
Turned on A/C today and fan was not working, at any setting. Nothing coming out of the vents. Tried everything. Replaced under hood relay. Did not fix problem. Switch in truck is working. Just nothing blowing out of vents. Not sure what to do next
Dec 26, 2020 at 10:10 AM (Merged)
Avatar
STRAILER
  • CERTIFIED EXPERT
  • 53,855 POSTS
Hello,
It sounds like you have a blower motor that has gone out but to be sure lets run a simple test using a test light to test for power at the blower motor. This guide will show you how.

https://www.2carpros.com/articles/blower-fan-motor-works-on-high-speed-only

and

https://www.2carpros.com/articles/how-to-use-a-test-light-circuit-tester

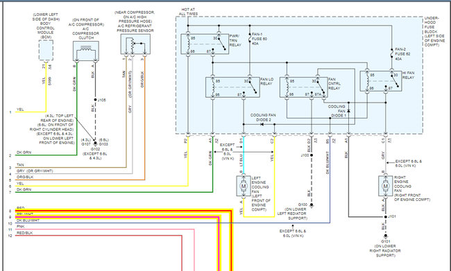
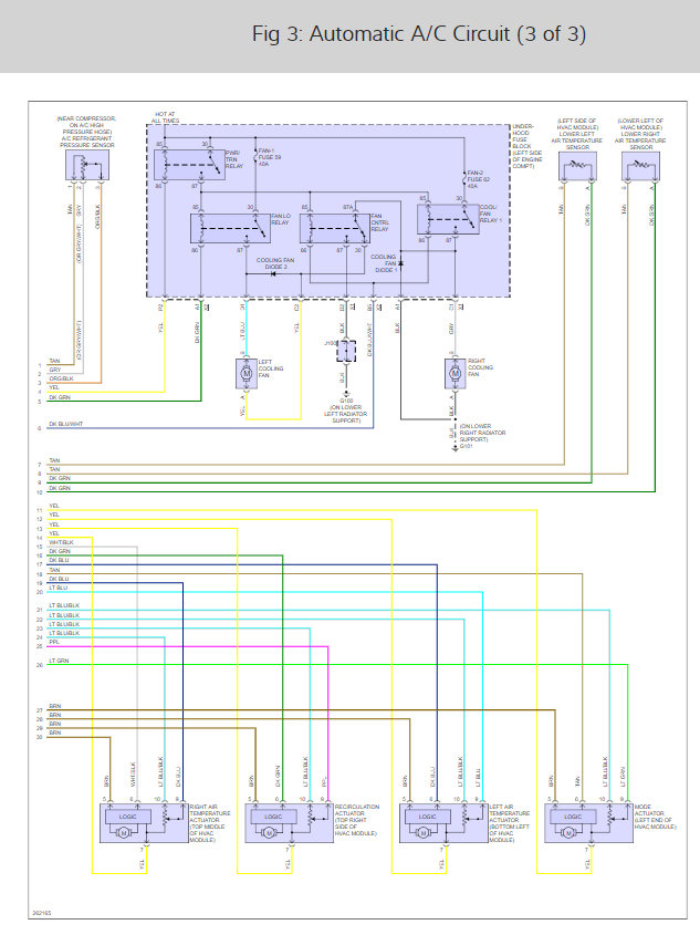
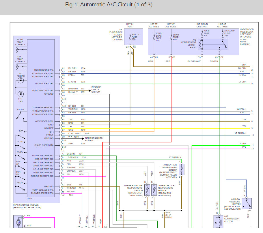
Here is the blower location and the wiring diagrams so you can see how the system works.

Check out the diagrams (below).

Please let us know what you find. We are interested to see what it is.

Cheers, Ken
Dec 26, 2020 at 10:10 AM (Merged)
Avatar
ENJOY425
  • MEMBER
  • 3 POSTS
I turn the fan switch from low to high and nothing is happening, nothing blowing out the vents,I have no heat ac or defrost. Usually you can hear the fan motor going when on but there is no noise, nothing. I have checked all fuses and they are okay. Just wondering if it could be the resister or the blower motor. I have not checked to see if there is power to the resister or motor. The fan just stopped working no warning or any type of noise just quit, maybe the switch. I am hoping someone could guide me in the right direction before I start taking things apart. Your help would be appreciated.
Thank you,
Gary
Dec 26, 2020 at 10:10 AM (Merged)
Avatar
RASMATAZ
  • CERTIFIED EXPERT
  • 75,992 POSTS
It sounds like you have a blower motor power resistor has gone out, but to be sure here is a guide to show you how to test it and a diagram below to help you see what it will be like for your truck:

https://www.2carpros.com/articles/blower-fan-motor-works-on-high-speed-only

I added the wiring diagrams so you can see how the system works.

Check out the diagrams (below). Please let us know what you find.

Cheers
Dec 26, 2020 at 10:10 AM (Merged)
Avatar
ENJOY425
  • MEMBER
  • 3 POSTS
I check the blower motor to the battery it works fine. So I checked out the guide and figured out the power resistor has bad. I got a new one for $78.00. All fixed!
Thanks, Gary
Dec 26, 2020 at 10:10 AM (Merged)
Avatar
RASMATAZ
  • CERTIFIED EXPERT
  • 75,992 POSTS
Nice work, we are here to help, please use 2CarPros anytime.

Cheers
Dec 26, 2020 at 10:10 AM (Merged)
Avatar
GMC11
  • MEMBER
  • 4 POSTS
So I proceeded to replace the module after reading one of your posts. A little wiggle and it came back on and worked as it should for another two months. Then quit again so I purchased the module and the wiring kit since one of the prongs on the seven pin connector was melting/burnt. (The black wire) Double and triple checked everything. As soon as I plugged it in it got extremely hot and started smoking.
Help?
Not sure what to do next?
Dec 26, 2020 at 10:10 AM (Merged)
Avatar
JACOBANDNICKOLAS
  • CERTIFIED EXPERT
  • 110,175 POSTS
Hi,

It sounds like you have a direct short. You indicated the purchase of a new wiring harness. Is it an OEM part or aftermarket? Did everything match up with what you had? Is it possible for you to take pics so I can see what is happening and indicates which wires started smoking? Or if it was the module smoking, let me know.

I attached a pic below of the wiring schematic of the HVAC blower motor system. When you say module, are you referring to what in the picture is also called the blower motor control switch?

Let me know.
Joe
Dec 26, 2020 at 10:10 AM (Merged)
Avatar
GMC11
  • MEMBER
  • 4 POSTS
Oh my gosh! I feel really dumb. After walking away for a minute and coming back I noticed I crossed two wires. Probably after repositioning (basically upside down for tool placement).
I’m sorry if I wasted anyone’s time.
Although the new module does get fairly warm to the touch still. Is that normal?
All parts were from Napa.
Dec 26, 2020 at 10:10 AM (Merged)
Avatar
GMC11
  • MEMBER
  • 4 POSTS
I also attempted to send pics. Not sure what happened there.
Thank you so much for the swift reply!!
Dec 26, 2020 at 10:10 AM (Merged)
Avatar
GMC11
  • MEMBER
  • 4 POSTS
Warning to others, the Napa repair harness has all black and white wires. Other than that it’s identical looking.
Dec 26, 2020 at 10:10 AM (Merged)
Avatar
JACOBANDNICKOLAS
  • CERTIFIED EXPERT
  • 110,175 POSTS
Hi,

It isn't out of the ordinary for it to get warm, but not hot. Is it working properly now? Also, you didn't waste anyone's time. We're here to help if we can.

Let me know.

Joe
Dec 26, 2020 at 10:10 AM (Merged)
Avatar
SIERRA336
  • MEMBER
  • 1 POST
the heater blows hot air, but the fan blows like it is on low even when it is on max.
Dec 26, 2020 at 10:11 AM (Merged)
Avatar
HMAC300
  • CERTIFIED EXPERT
  • 48,601 POSTS
Check the blower control processor by blower motor, it may be bad. Scan for codes to see if that is the problem and not control module. See picture.
Dec 26, 2020 at 10:11 AM (Merged)
Avatar
STAN JONES
  • MEMBER
  • 1 POST
Blower quit working, it was only working on high speed. Replaced blower motor resistor but still nothing. When I change the fan speed I can hear a click down by the blower motor.
Dec 26, 2020 at 10:11 AM (Merged)
Avatar
ASEMASTER6371
  • CERTIFIED EXPERT
  • 52,796 POSTS
Good evening,

I attached a wiring diagram for you to view. Check the wire I circled and see if it has power with the key on................................

Roy
Dec 26, 2020 at 10:11 AM (Merged)
Avatar
MIDKNIGHT
  • MEMBER
  • 2 POSTS
i have a 2003 gmc serra z71. the heater blower motor stopped working. i have replaced the resistor,(at $55.00)and didn't solve my problem.
Dec 26, 2020 at 10:11 AM (Merged)
Avatar
JACOBANDNICKOLAS
  • CERTIFIED EXPERT
  • 110,175 POSTS
Check to see if there is power to the blower motor itself. If there is, chances are the motor is bad.
Dec 26, 2020 at 10:12 AM (Merged)
Avatar
MIDKNIGHT
  • MEMBER
  • 2 POSTS
thank you. checked voltage, i have it. going to replace motor and see.
Dec 26, 2020 at 10:12 AM (Merged)
Avatar
JACOBANDNICKOLAS
  • CERTIFIED EXPERT
  • 110,175 POSTS
Before you purchase a new motor, pull yours and run a jumper wire from the battery directly to it. That way you will be certain if the part is back. If you want, ask a parts store to check it for you. They have the equipment to check it.

Let me know what you find.
Joe
PS: If there is power to it, it should run. So, chances are it is bad.
Dec 26, 2020 at 10:12 AM (Merged)
Avatar
ALPHONSINE JONES
  • MEMBER
  • 2 POSTS
One day the blower motor just stopped working. All the speeds worked up to that point. I was going to change out the Blower relay but I cannot locate it in the vehicle. Although it exists because I have looked it up verified it with the auto parts store. So I moved on to the resistor, but the resistor that I purchased and that comes up for my vehicle is wrong. the one that is in my vehicle matches the one that is for a 2003 Chevrolet Tahoe (rear) but I do not believe it is the resistor anyhow. my only other guesses are the switch and the motor its self, but my first guess is still the relay. Could you please help?
Dec 26, 2020 at 10:12 AM (Merged)
Avatar
SATURNTECH9
  • CERTIFIED EXPERT
  • 30,869 POSTS
The relay only operates the high speed setting the other speeds go through the resistor, so a bad relay would be a bad guess. Do you have a multi meter to do some testing?
Dec 26, 2020 at 10:12 AM (Merged)
Avatar
ALPHONSINE JONES
  • MEMBER
  • 2 POSTS
I could pick one up what do you suggest?
Dec 26, 2020 at 10:12 AM (Merged)
Avatar
SATURNTECH9
  • CERTIFIED EXPERT
  • 30,869 POSTS
If you have a harbor freight around you they have metered cheap there sometimes with a coupon there even cheaper.Other wise were just guessing. You could try turning the blower on high and smacking the blower motor and see if it starts working.
Dec 26, 2020 at 10:12 AM (Merged)
Avatar
STRAILER
  • CERTIFIED EXPERT
  • 53,855 POSTS
Hey ALPHONSINE ,

You can test the blower motor using this guide here

https://www.2carpros.com/articles/blower-motor-testing

Let us know what you find

Best, Ken
Dec 26, 2020 at 10:12 AM (Merged)
Avatar
ROYHOBBS
  • MEMBER
  • 3 POSTS
V8 four wheel drive automatic 180,000 miles.

No air coming out when fan switch is turned to any setting. Tried replacing the fuse (in cab) but did not work. Owner's manual says there is also a under hood blower fuse/relay which I have not replaced yet. Was working just fine yesterday and have had no problems with it before. Thanks for the assistance.
Dec 26, 2020 at 10:12 AM (Merged)
Avatar
BLUELIGHTNIN6
  • CERTIFIED EXPERT
  • 16,542 POSTS
first check blower motor relay as your manual states. if okay then check your heater control switches. if they are okay as well then suspect faulty blower motor.
Dec 26, 2020 at 10:12 AM (Merged)
Avatar
ROYHOBBS
  • MEMBER
  • 3 POSTS
Thanks, I will try the other fuse but I currently do not have a service manual for this vehicle so not sure how to check the heater switches.
Dec 26, 2020 at 10:12 AM (Merged)
Avatar
BLUELIGHTNIN6
  • CERTIFIED EXPERT
  • 16,542 POSTS
Your blower motor relay is located on top of the front A/C-heater blower housing, in dash.
Follow the link here to get an idea of how to test the blower motor relay.

https://www.2carpros.com/how_to/how_do_i_check_a_relay.htm
Dec 26, 2020 at 10:12 AM (Merged)
Avatar
ROYHOBBS
  • MEMBER
  • 3 POSTS
Thanks for the help, turned out to be the blower motor after all.
Dec 26, 2020 at 10:12 AM (Merged)
Avatar
HDLH883
  • MEMBER
  • 1 POST
Heater blower quit working after stopping to fuel up. Blower was working fine before shutting the engine down. When restarted the engine the blower would not come on and radio display would not light and no signal (although volume control raised and lowered the static).
When I shut the engine off and restarted the radio worked again.
I checked the fuses and AC relay under the hood which are all good.
When I turn the fan switch on I hear a click behind the AC/heat control panel but no blower.
Dec 26, 2020 at 10:12 AM (Merged)
Avatar
RACEFAN966
  • CERTIFIED EXPERT
  • 5,029 POSTS
Sounds like the controller may be bad

read the guide on testing wiring first, it will help

https://www.2carpros.com/articles/how-to-check-wiring

The wiring diagrams for you blower are attached below
Dec 26, 2020 at 10:12 AM (Merged)
Avatar
BTOLER
  • MEMBER
  • 29 POSTS
It will go off maybe a couple minutes then come back on, then blow a while and quit for maybe a half hour come back on for a couple days then quit for a while and come back on. It’s getting more frequent. Help!
Dec 26, 2020 at 2:52 PM (Merged)
Avatar
SCGRANTURISMO
  • CERTIFIED EXPERT
  • 4,897 POSTS
Hello,

Although the time has past by a couple of years for your vehicle, I have included a Technical Service Bulletin (TSB) for your vehicle for a recall for this very issue. You still might want to get in contact with the service department for your local dealership and see if they can't fix this at no cost to you under a customer retention goodwill policy. If not, the part numbers for the required parts and the instructions from the vehicle manufacturer on how to fix this problem is included in this TSB. Please go through this TSB and get back to us with what you are able to find out.

Thanks,
Alex
2CarPros
Dec 26, 2020 at 2:52 PM (Merged)