Monday, September 28th, 2020 AT 10:09 PM
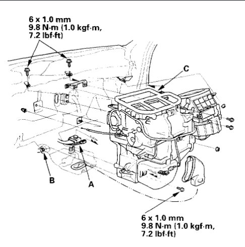
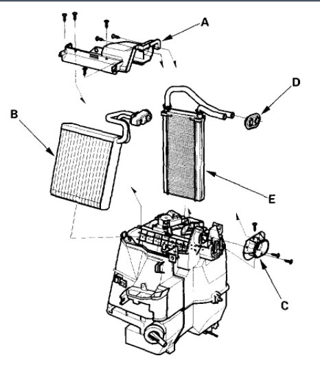
I’m not getting any heat in my car and I feel I need to replace my heater core. I’ve done other procedures but still not getting any heat. Is there a guide for the replacement of it? Thanks










