Sunday, April 28th, 2019 AT 10:22 AM
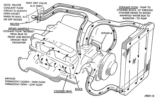
Trying to find out which hose goes on which pipe. Everything I find has heater core nipples top and bottom on my van its left and right so not sure which is inlet and outlet.



