Headlights issue wiring diagram?

1996 PONTIAC FIREBIRD
234,567 MILES • 6 CYL
Avatar
JOJOSLAYTON
  • MEMBER
  • 6 POSTS
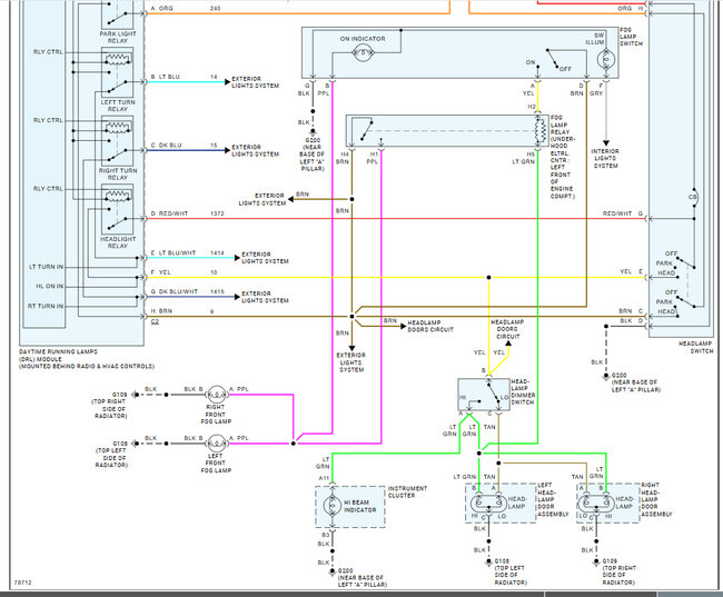
I need the wiring diagram for a 96 Pontiac firebird headlight switch.
Feb 8, 2026 at 10:11 AM
Repair Safety Notice: This information is for general instructional purposes only. Vehicle repair can be dangerous. Verify all information, follow manufacturer service procedures, use proper tools and safety equipment, and consult a qualified repair shop when needed.
Advertisement
Avatar
STRAILER
  • AUTOMOTIVE REPAIR CONTRIBUTOR
  • 54,178 POSTS
Sure, here is the wiring diagrams for the headlight switch as requested. Check out the images (below). Let us know if you need anything else.
Feb 9, 2026 at 8:04 AM
Advertisement