Friday, January 10th, 2025 AT 11:06 AM
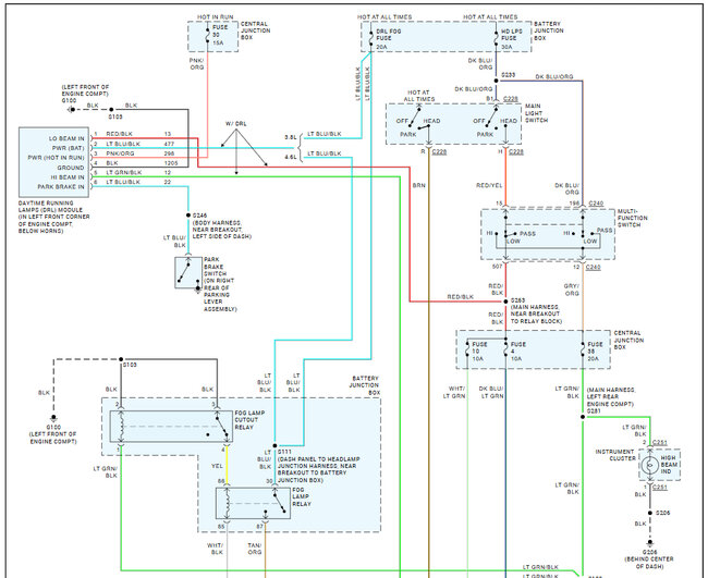
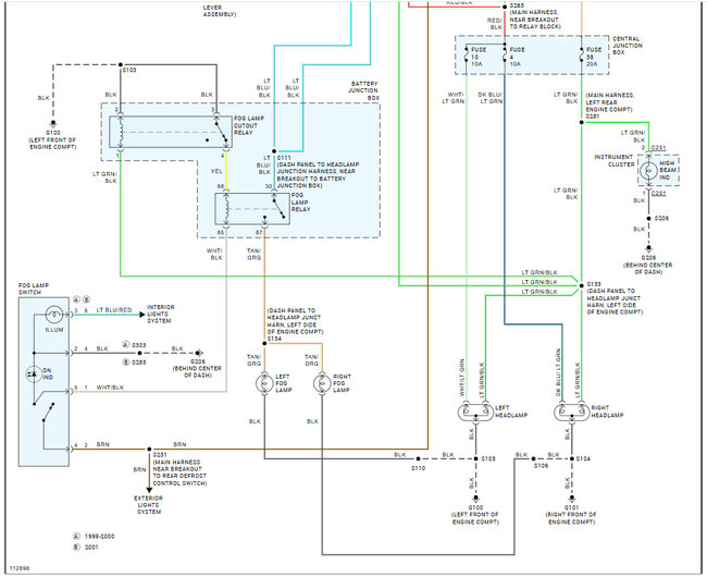
I have HID headlights with a ballast and the left low beam is not working. The right one is and both high beams are working and when I turn on my low beams it blows my fuse.



