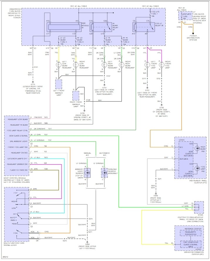
Wednesday, March 30th, 2016 AT 6:20 PM
Just brought a new drive side headlight plugged it in but the low beams will not come on just the highbeam and turn signal works. What's wrong?




