Thursday, September 9th, 2021 AT 11:38 AM
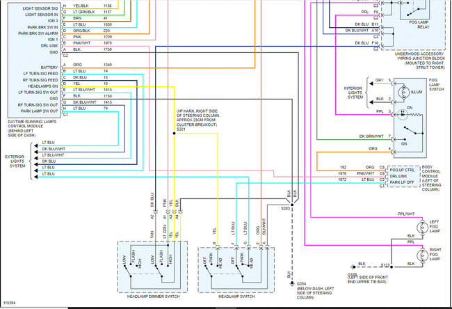
Marker and tail lights okay. From research I'm thinking it's the multifunction turn switch; I'd rather bypass the dimmer switch, but the i/p harness to steering column harness connector has different wire colors for the pins from the diagram I found. Do you have the correct one and/or any ideas?








