Sunday, July 30th, 2023 AT 2:22 AM
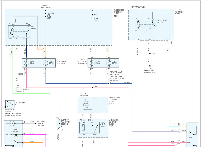
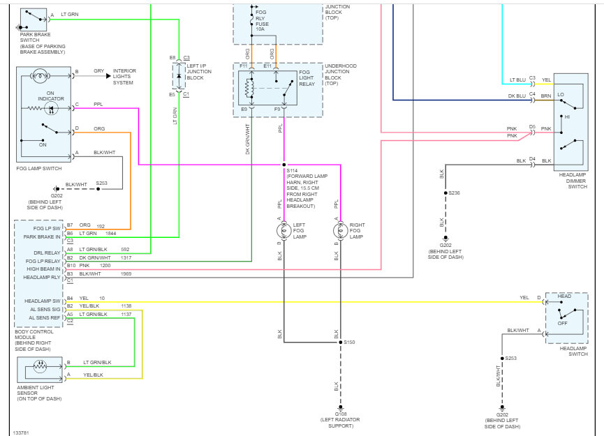
I need to know the wire color codes for headlights on the car listed above. Factory harnesses have been cut off. Need to know which wire is what so I can splice in new headlights?


