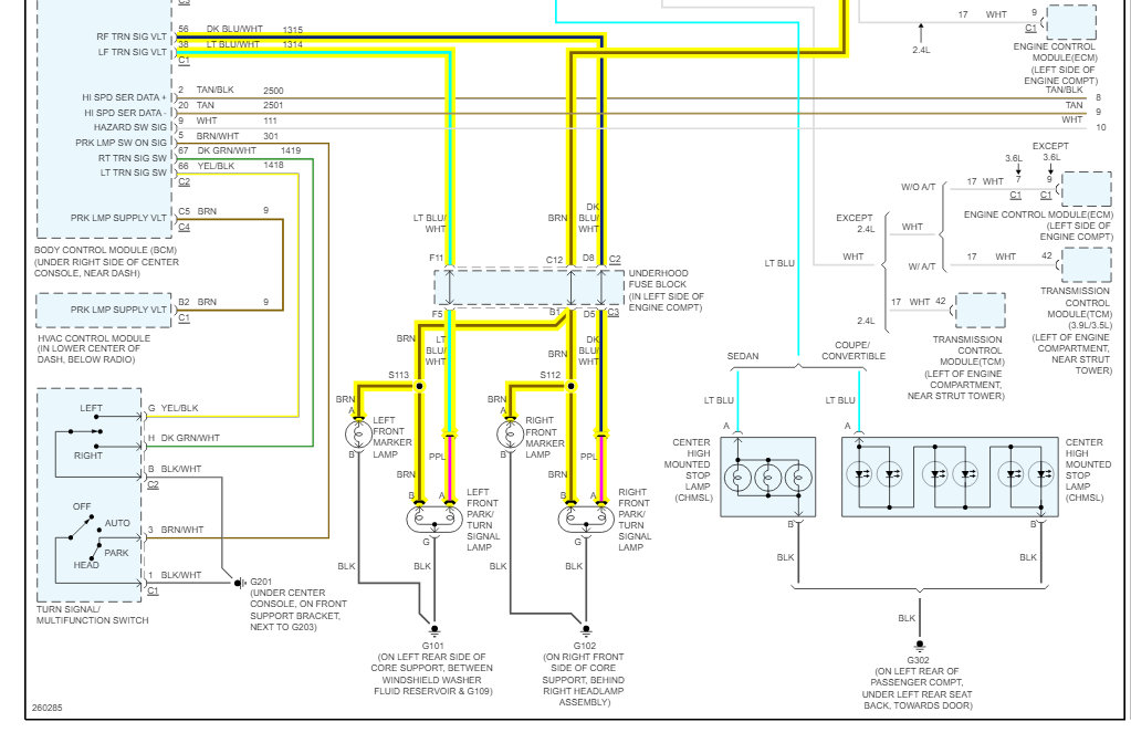
Headlight wiring diagram needed

2007 PONTIAC G6
70,000 MILES • 6 CYL • AUTOMATIC
Avatar
MATTHEW STEELE
  • MEMBER
  • 2 POSTS
I just need a wiring diagram for the headlights and turn signal lights.
May 29, 2022 at 7:32 PM
Repair Safety Notice: This information is for general instructional purposes only. Vehicle repair can be dangerous. Verify all information, follow manufacturer service procedures, use proper tools and safety equipment, and consult a qualified repair shop when needed.
Advertisement
Avatar
SQM
  • AUTOMOTIVE REPAIR CONTRIBUTOR
  • 6,383 POSTS
Hello,

See attached for the wiring schematics.

https://www.2carpros.com/articles/how-to-check-wiring

Let me know of any questions.

Thank you.
May 29, 2022 at 8:41 PM
Advertisement