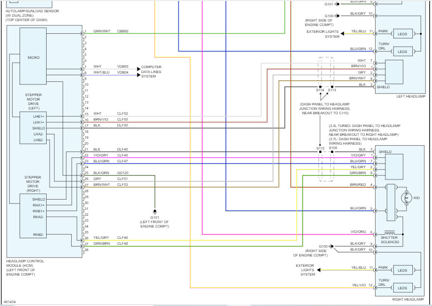
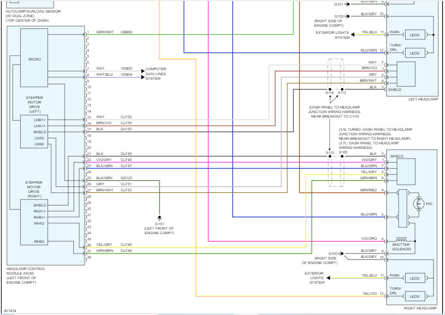
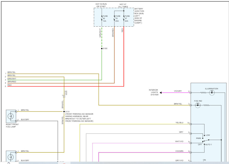
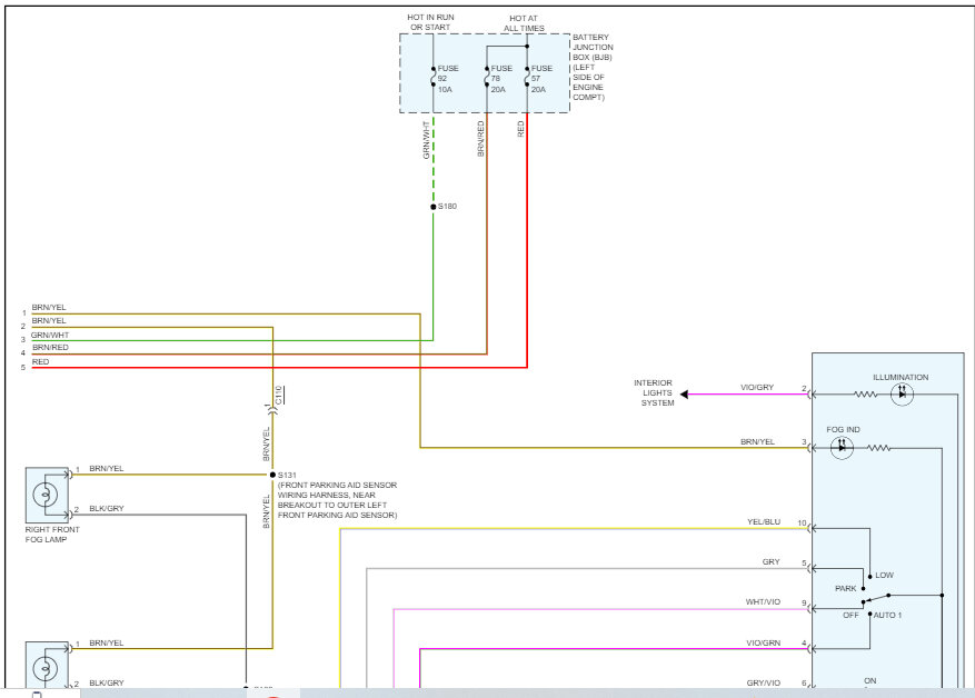
Friday, July 28th, 2023 AT 6:01 AM
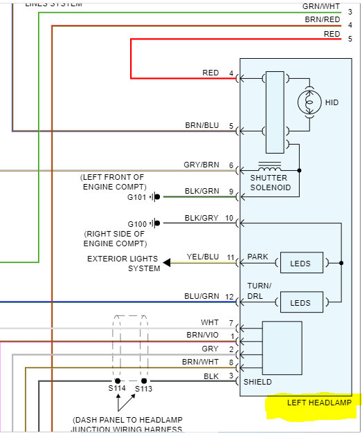
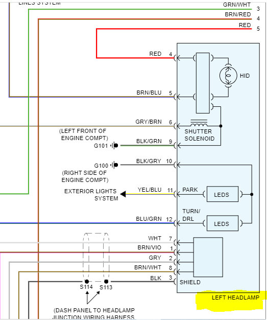
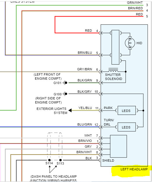
Issues with HID headlight driver's side. Replaced bulb and ballast. Fuse not blown; grounds appear to be good. Does anyone have a wiring diagram for the headlight assembly for the car listed above? Hard to find info on MKS.







