Sunday, July 30th, 2023 AT 5:24 PM
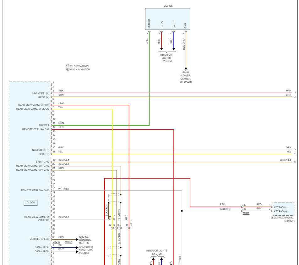
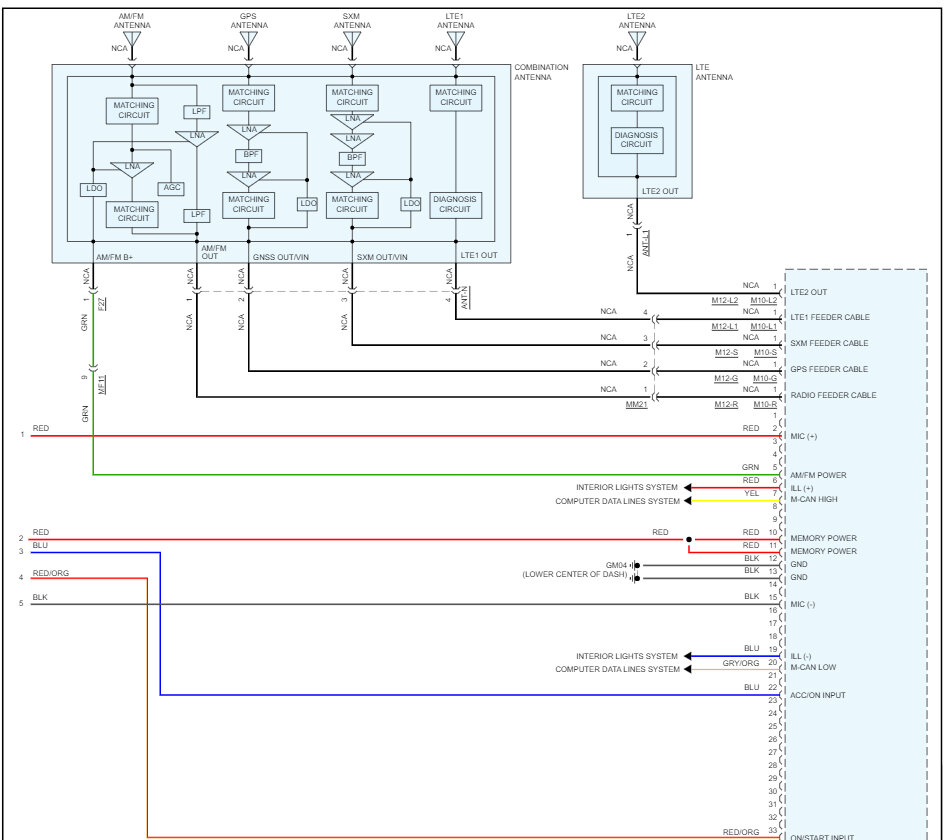
The vehicle listed above is an LX model. The head unit number is 96160-D9220FHV. I found a head unit from another Kia not sure what model but a 2021 or 2022 with part number 96560-D9950FHV. The new head unit has NAV and Sat radio. I have the correct antenna replaced also. I got everything to work with no problem except for sound. I'm not sure if it is a wiring problem or a head unit issue. Need a wiring diagram for both. Also, the new radio has a plug for the CAN to chassis high and low. I did not connect to this. If I need to where can I tap off. Thanks.

















