Monday, December 9th, 2019 AT 10:24 AM
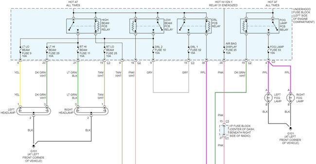
Running lights work and high beams work all lights work except low beams checked fuses related to lights no power to fuses related to low beam lights. Lights were working, ABS warning came on I cleared message and it has not came back on, next day found low beams not working.


