Friday, September 29th, 2023 AT 9:52 AM
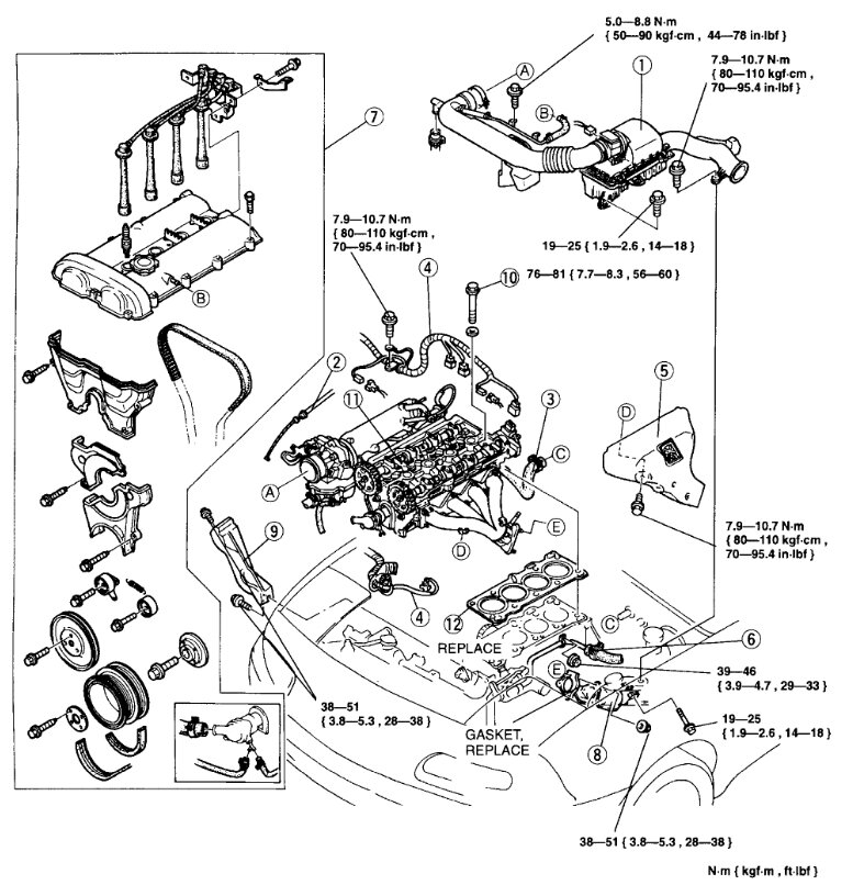
Replacing head gasket. It is blown out in front oil galley going to camshaft. Losing compression in front cylinder and oil fouling the alternator. Specifically need torque specs for head bolts, are they torque to yield, and timing belt alignment procedure, but as usual, step by step instructions are appreciated. Thank you, Alex.






