Saturday, July 22nd, 2023 AT 12:48 PM
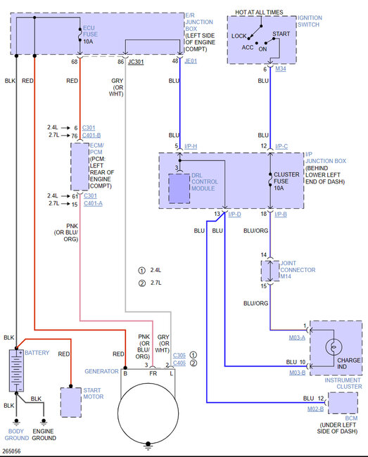
I had a crankshaft sensor put in, somehow as a result three alternators and batteries have been drained daily. I had the 3rd one checked by AutoZone, the wire harness that plugged into alternator had red wire broken off. I need wire diagram from alternator to the battery to crankshaft. Wiring harness diagram.





