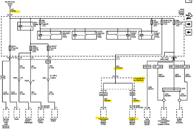
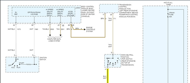
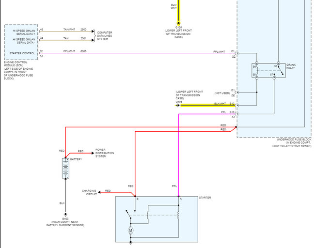
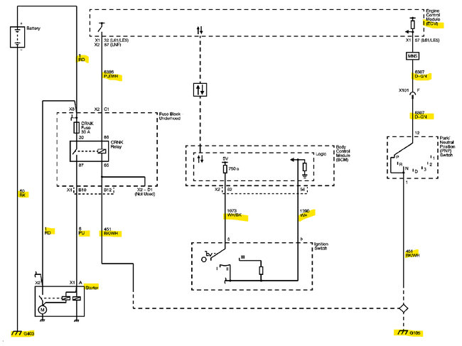
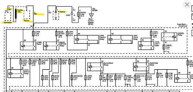
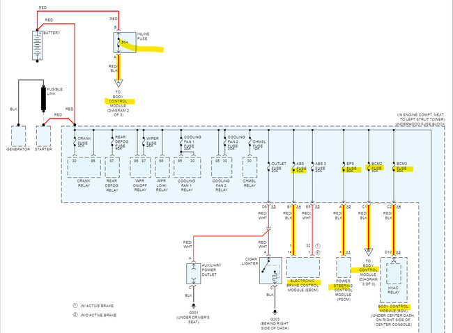
I just got done putting the transmission housing back on and the sensors etc., but towards the end when I put the Starter back in and placing the ground wires on the stud on the transmission housing bolt and the others where the fuse box positive post is. I have one wire left but it's too short to reach the post. I wasn’t sure if that went to the starter but couldn’t remember. I knew I should’ve taken a picture before I had removed them. I know below the stud there’s another bolt that has two wires attached to it.
May 22, 2023 at 2:02 AM











