Codes po171 and po174 what are these codes for?

1996 GMC JIMMY
10,030 MILES • 4 CYL • 2WD • AUTOMATIC
Avatar
BBARRETO
  • MEMBER
  • 1 POST
Please tell me what these codes stand for and the diagnosis.
Apr 15, 2010 at 11:08 AM
Repair Safety Notice: This information is for general instructional purposes only. Vehicle repair can be dangerous. Verify all information, follow manufacturer service procedures, use proper tools and safety equipment, and consult a qualified repair shop when needed.
Advertisement
Avatar
SQM
  • AUTOMOTIVE REPAIR CONTRIBUTOR
  • 6,383 POSTS
Hello,


Here are the codes:

P0171 Fuel Trim System Lean Bank 1
P0174 Fuel Trim System Lean Bank 2

https://www.2carpros.com/articles/check-engine-light-clear-codes

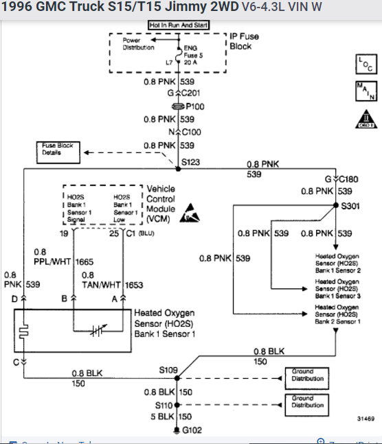
See attached for the diagnostics.

Thank you.
Jul 15, 2021 at 8:43 PM
Advertisement