Monday, February 6th, 2023 AT 9:03 PM
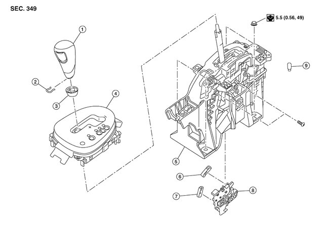
The very tiny bulb in my gearshift that lights up numbers and letters blew out, I need to replace it, but I don't know what bulb I need for it. Does anyone know? Also, my emergency front crash warning light has been on since I bought the car, how can I turn it off or reset it, is there a way to disconnect it? I know how to turn off the system through menus when I start the car but that does not turn off or reset the warning light. Thank you very much for any help anyone can give me in regard to these two issues I really need to figure this out.










