Wednesday, March 26th, 2025 AT 10:53 AM
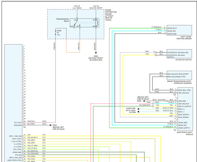
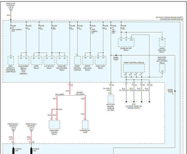
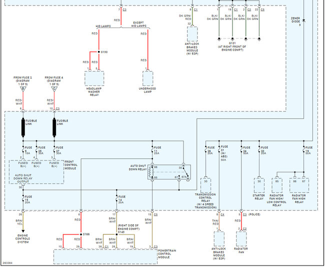
Hi Ken, please can I get the power ground and signals wiring from the fuse box to the transmission, and from the transmission module to the transmission.















