No crank

Tiny
DEECEE123
  • MEMBER
  • 2000 INFINITI G20
  • 1.2L
  • 4 CYL
  • 2WD
  • 145,000 MILES
Car won't crank after stopping at store. Lights dash etc, come on. No crank. The battery is at 14 alternator shows 14 volts. Help
Tuesday, November 12th, 2019 AT 9:39 PM

1 Reply

Tiny
MOTOR MASTER
  • MECHANIC
  • 279 POSTS
Hello my name is Dave.

First thing we need to find out is if the security system has unarmed, when you turn the key to the run position does the security light go out? If it stays flashing. Here is a link to our guide to resetting it:

https://www.2carpros.com/articles/how-to-reset-a-security-system

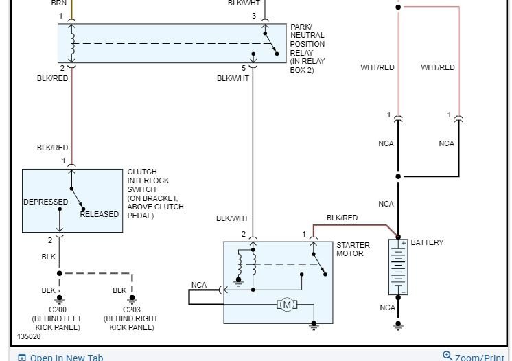
If the light does stop the next thing I would do is check for a signal to the starter, battery voltage to the starter signal wire at the starter, you can use a simple test light to test this. If there is no voltage next thing I would check after that are the fuses, the one I would check first is # 16 in the fuse block under the dash. I'll attach a diagram of the wiring to assist you. You didn't mention if it is a manual or automatic so there are some differences so I will attach the wiring diagrams for both. If it is an automatic you could have a faulty neutral safety switch a lot of the times when it fails you can put the car in neutral and it will crank. Ironically both models have a park/neutral relay that could be faulty and the manual has a clutch interlock switch activated by the clutch pedal. You can see in the diagrams there is also a mega fuse under the hood that could be the problem. And of course there is the possibility that the starter itself could have failed but I mention this last because it would be unusual for one to fail completely without warning but not unheard of. Please keep us up to date on your progress and thank you for using 2CarPros!
Was this
answer
helpful?
Yes
No
Wednesday, November 13th, 2019 AT 3:56 AM

Please login or register to post a reply.