Thursday, January 31st, 2019 AT 8:34 PM
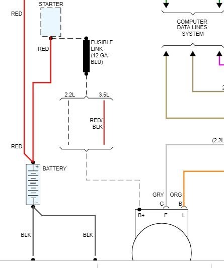
I have changed my alternator four different times and my car keeps draining its battery. The lights dim until it shuts off. I'm trying to find out where the fusible link is so I can check it to see if there's damage to it because I don't know what's wrong with it. Please help. Thank you



