Monday, April 5th, 2021 AT 8:53 AM
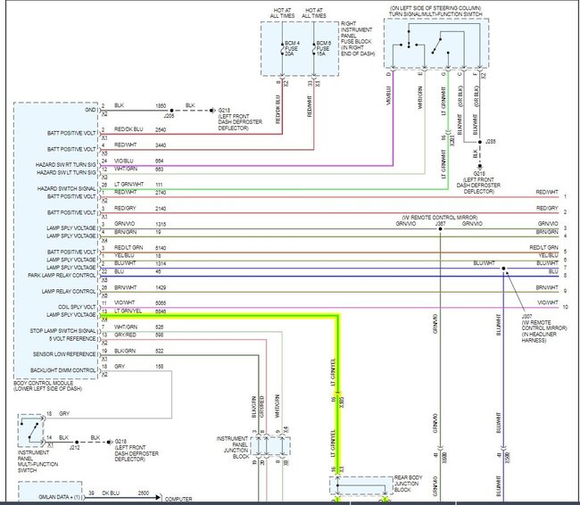
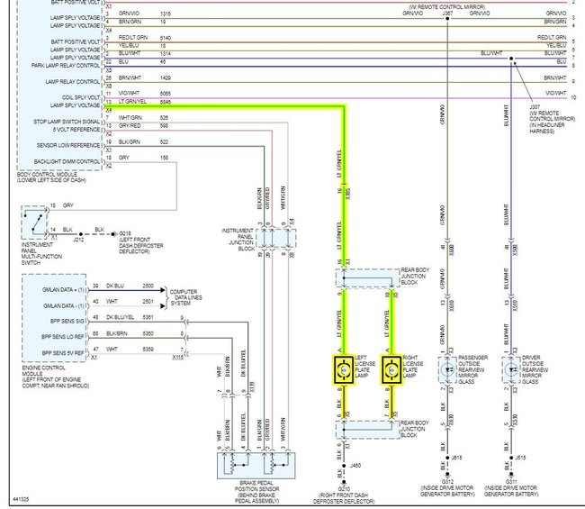
I have the truck listed above Silverado LTZ. The license plate lights aren't working. Already replaced the bulbs. Where is the fuse located at?




