Tuesday, February 21st, 2023 AT 3:15 PM
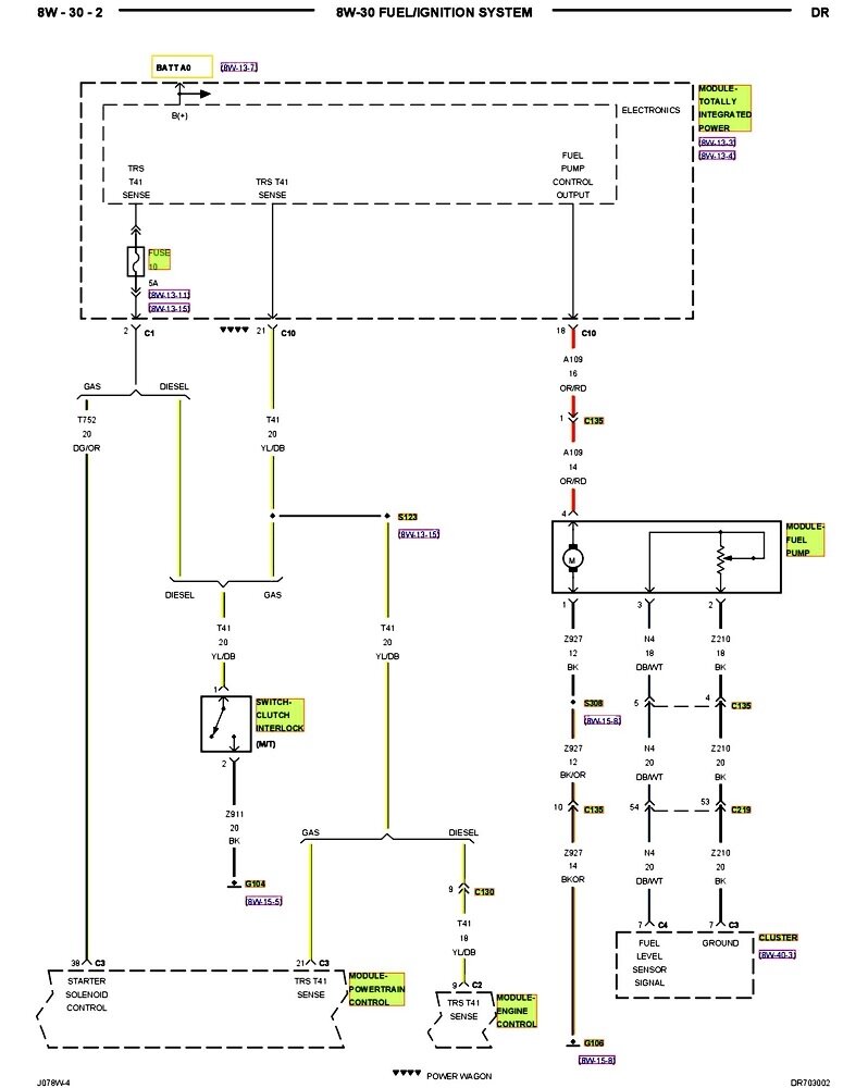
I'm trying to bypass the fuel pump relay except fuse 7 and 25 aren't the same as they are in video, I watched, and I can't locate the fuse for the pump so which number fuse do I jump to the 12v power outlet.

