Thursday, May 18th, 2023 AT 8:34 PM
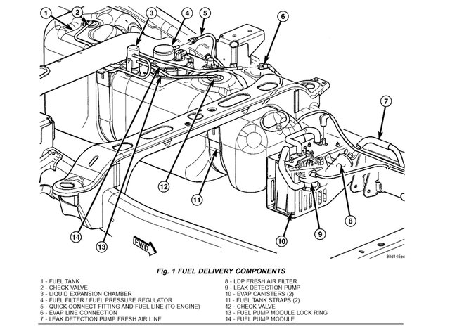
So, my husband and I had to replace our fuel pump on our truck for a second time last month and now my gas gauge doesn't work. It is stuck at 63 miles to empty on the DTE in the cab and now shows multiple misfiring codes po300, po302, po308 and po171 system to lean bank 1. I'm pretty sure it's the fuel pump that is causing these codes and I think I'm the one who caused it because when we put the new pump in and put the tank back on the truck my husband didn't put the pump back where the arrow was located and for the life of me I couldn't remember the importance of the arrow from the first time we replaced it. Anyways, since we didn't put it in the same place when we put the tank back the pressure regulator was not facing the correct direction to hook the lines back up. So, I asked my husband if I turned it a quarter of a turn if it would mess it up and I think he thought I was talking about something else because now it is stalling and as I said not reading correct on the gauge. My question now is, if I turn it back to its original placement will it start working correctly or did, I just totally mess it up when I initially turned it and just need to replace the whole pump assembly yet again to fix the issue?







