Tuesday, February 2nd, 2021 AT 7:30 AM
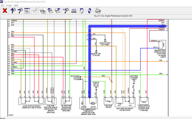
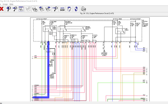
Fuel pump fuse blowing when trying to start. It is a crank no start. Fuel pump is not priming when turning key to on position. Looking for circuit diagrams that might be helpful. Thanks



